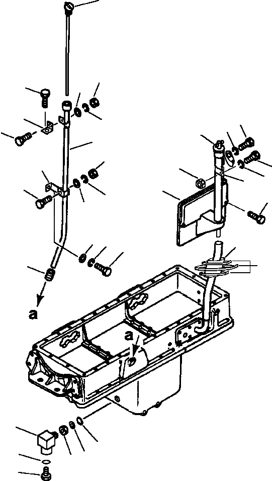
Запчасти Komatsu PC650-5 & PC650LC-5 МАСЛ. FILL И УРОВЕНЬ GAUGE КОМПОНЕНТЫ ДВИГАТЕЛЯ

Схема запчастей Komatsu PC650-5 & PC650LC-5 - МАСЛ. FILL И УРОВЕНЬ GAUGE КОМПОНЕНТЫ ДВИГАТЕЛЯ
1
7
9
5
4
15
8
16
17
6
2
7
10
24
22
23
21
6
14
18
8
9
13
12
19
11
3
20
25
29
29
26
27
28
FIT
1:1
100%

Артикул

Название

Примечание

Количество

1

209-01-51641

DIPSTICK, OIL GAUGE

2

209-01-51631

GUIDE, OIL GAUGE

3

6721-21-5920

FERRULE

4

209-01-51650

BRACKET

5

02010-70657

BOLT

6

01010-51025

BOLT

7

01580-11008

NUT

8

01602-21030

WASHER

9

01641-21016

WASHER

10

6112-12-4370

STAY

11

02010-70632

BOLT

12

01602-20929

WASHER

13

01640-21016

WASHER

14

209-01-51610

COVER, OIL FILL TUBE

15

01010-31020

BOLT

16

01643-31032

WASHER

19

205-62-53780

COVER

20

08034-00536

BAND

21

6721-21-5760

CLAMP

22

01010-51025

BOLT

23

01640-21016

WASHER

24

01580-11008

NUT

25

6721-21-5431

ELBOW

26

6721-21-5440

WASHER

27

6721-21-5450

NUT

28

07044-12412

PLUG

29

07002-02434

O-RING

Выбрано товаров: 0