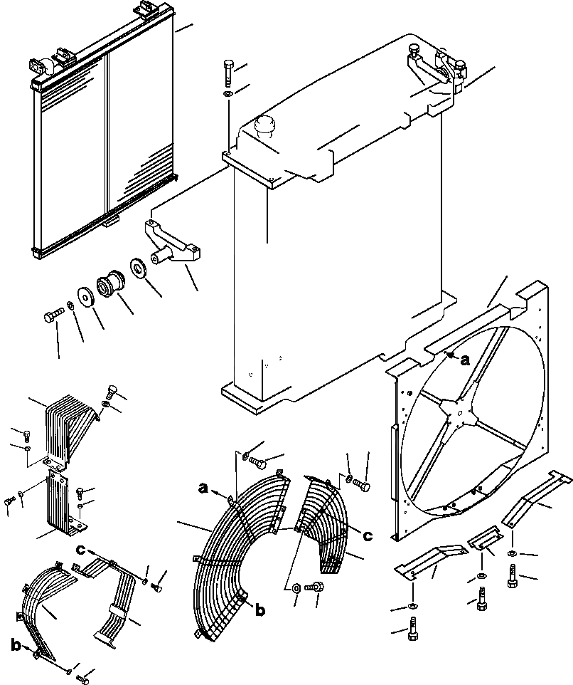
Запчасти Komatsu PC650-5 & PC650LC-5 ОХЛАЖД-Е МАСЛООХЛАДИТЕЛЬ, КОРПУС И ЗАЩИТА ВЕНТИЛЯТОРАS СИСТЕМА ОХЛАЖДЕНИЯ

Схема запчастей Komatsu PC650-5 & PC650LC-5 - ОХЛАЖД-Е МАСЛООХЛАДИТЕЛЬ, КОРПУС И ЗАЩИТА ВЕНТИЛЯТОРАS СИСТЕМА ОХЛАЖДЕНИЯ
24
2
1
3
9
1
5
4
6
8
7
25
27
28
27
14
28
12
14
12
27
28
21
28
10
27
26
23
18
11
19
17
22
23
20
22
23
14
13
16
15
22
18
17
FIT
1:1
100%

Артикул

Название

Примечание

Количество

1

209-03-51440

BRACKET, RADIATOR MOUNTING

2

01010-51865

BOLT

3

01643-31845

WASHER

4

195-03-41440

CUSHION

5

198-03-51230

PLATE

6

195-03-41260

PLATE

7

01010-51630

BOLT

8

01643-31645

WASHER

9

209-03-61570

SHROUD

10

209-03-61510

GUARD, FAN

11

209-03-61610

GUARD, FAN

12

01252-41230

BOLT

13

01010-51225

BOLT

14

01643-31232

WASHER

15

209-03-61620

GUARD, FAN

16

209-03-61630

GUARD, FAN

17

01010-51225

BOLT

18

01643-31232

WASHER

19

209-03-61170

BRAKER, WIND

20

209-03-61181

BRAKER, WIND

21

209-03-61191

BRAKER, WIND

22

01010-51025

BOLT

23

01643-31032

WASHER

24

209-03-51410

COOLER, OIL

25

209-03-51641

NET

26

209-03-51650

NET

27

01010-31225

BOLT

28

01643-31232

WASHER

Выбрано товаров: 28