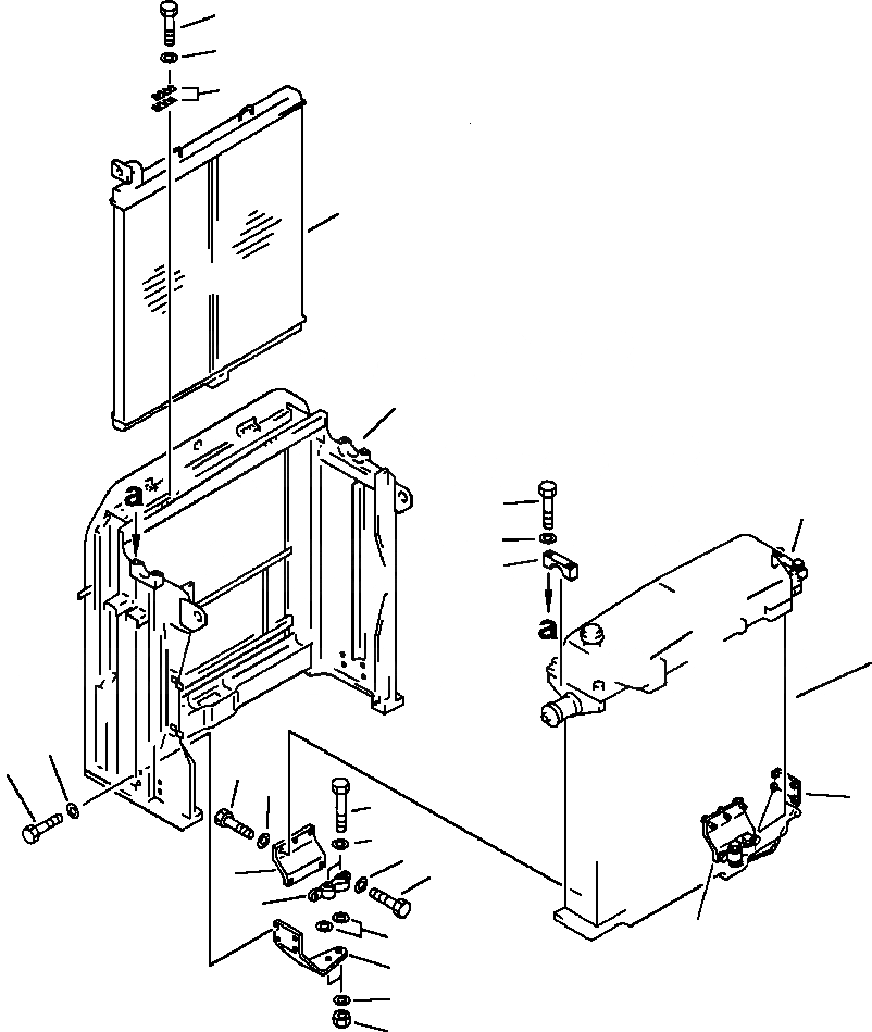
Запчасти Komatsu PC650-5 & PC650LC-5 ОХЛАЖД-Е РАДИАТОР И МАСЛООХЛАДИТЕЛЬ КРЕПЛЕНИЕ СИСТЕМА ОХЛАЖДЕНИЯ

Схема запчастей Komatsu PC650-5 & PC650LC-5 - ОХЛАЖД-Е РАДИАТОР И МАСЛООХЛАДИТЕЛЬ КРЕПЛЕНИЕ СИСТЕМА ОХЛАЖДЕНИЯ
2
3
1
21
20
17
16
18
16
19
12
11
5
6
10
13
14
9
8
4
7
4
14
10
14
15
FIT
1:1
100%

Артикул

Название

Примечание

Количество

1

154-19-19190

SHIM, (1.0mm)

2

01010-51240

BOLT

3

01643-31232

WASHER

4

209-03-21290

SEAT

5

01010-51240

BOLT

6

01643-31232

WASHER

7

195-03-22501

ISOLATOR ASSEMBLY

8

01010-51240

BOLT

9

01643-31232

WASHER

10

209-03-51190

BRACKET

11

01010-51235

BOLT

12

175-54-34170

WASHER

13

01091-52205

BOLT

14

01643-32260

WASHER

15

01582-12218

NUT

16

209-03-51160

CLAMP

17

01010-52090

BOLT

18

01643-32060

WASHER

Выбрано товаров: 18