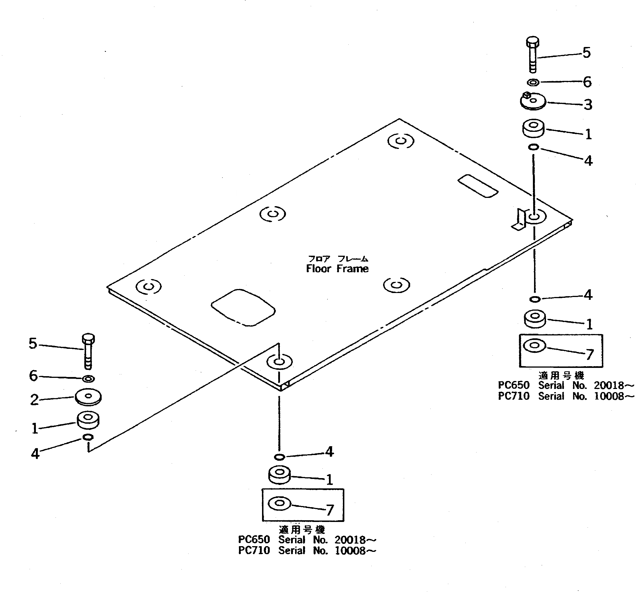
Запчасти Komatsu PC650-5 КРЕПЛЕНИЕ ОСН. КОНСТРУКЦИИ(№-) КАБИНА ОПЕРАТОРА И СИСТЕМА УПРАВЛЕНИЯ

Схема запчастей Komatsu PC650-5 - КРЕПЛЕНИЕ ОСН. КОНСТРУКЦИИ(№-) КАБИНА ОПЕРАТОРА И СИСТЕМА УПРАВЛЕНИЯ
FIT
1:1
100%

Артикул

Название

Примечание

Количество

1

205-54-71680

CUSHION

2

205-54-71691

PLATE

3

209-54-62110

PLATE

4

07000-03028

O-RING

5

01010-51690

BOLT

6

01643-31645

WASHER

7

205-54-72640

SPACER

Выбрано товаров: 7