Запчасти Komatsu PC650-5 МОТОР ХОДА ЧАСТИ КОРПУСА(№-) ХОДОВАЯ

Схема запчастей Komatsu PC650-5 - МОТОР ХОДА ЧАСТИ КОРПУСА(№-) ХОДОВАЯ
FIT
1:1
100%

Артикул

Название

Примечание

Количество

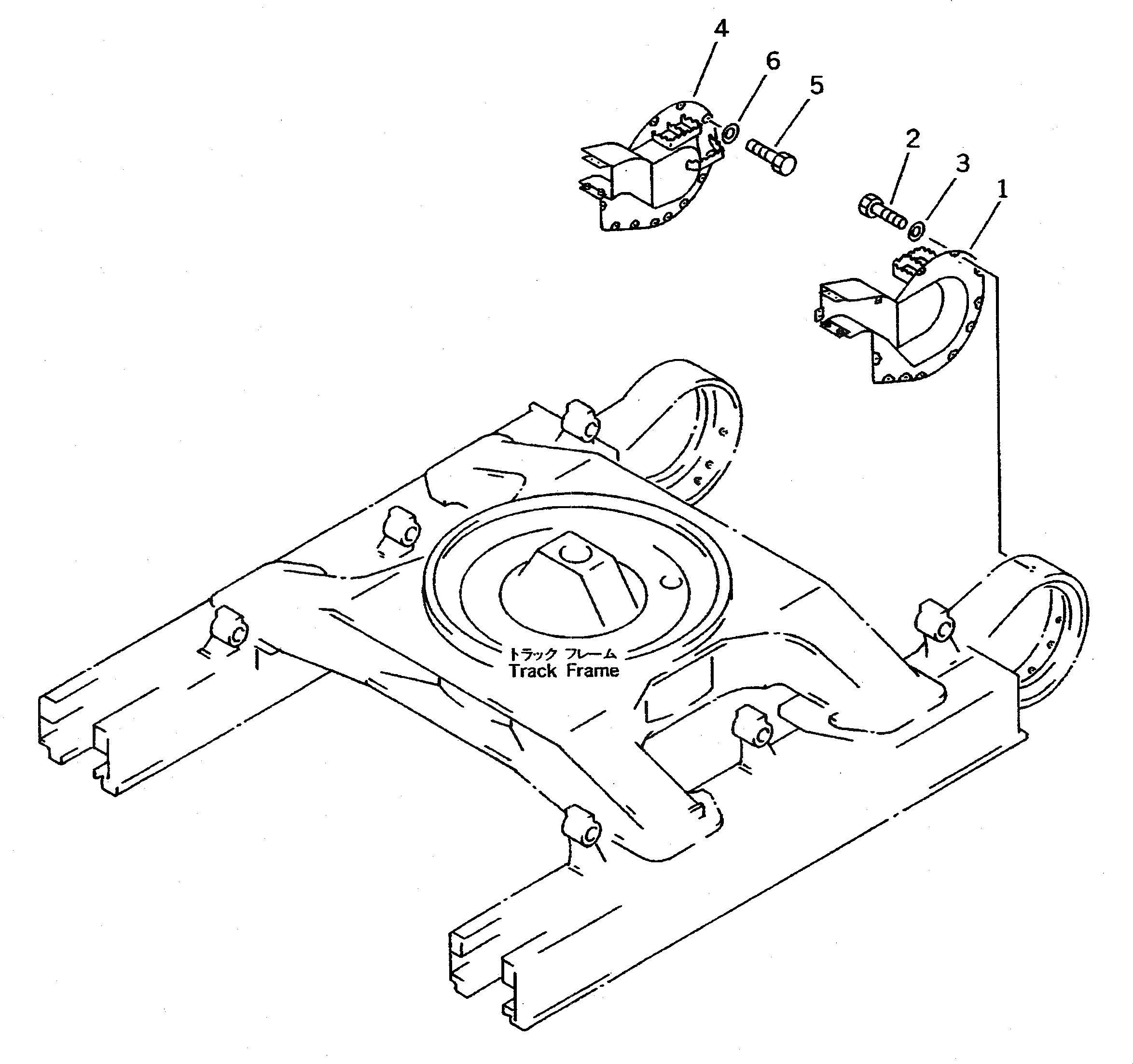
1

209-30-61622

GUARD,L.H.

2

01010-51645

BOLT

3

01643-31645

WASHER

4

209-30-61632

GUARD,R.H.

5

01010-51645

BOLT

6

01643-31645

WASHER

Выбрано товаров: 0