Запчасти Komatsu PC650-5 УПРАВЛ-Е Э/ПРОВОДКА (С -STAGE SELECTOR OLSS) (W/-POSITION АВТОМАТИЧ. COMP.) (ДЛЯ ПОГРУЗ.) (ДЛЯ ECM)(№8-) ЭЛЕКТРИКА

Схема запчастей Komatsu PC650-5 - УПРАВЛ-Е Э/ПРОВОДКА (С -STAGE SELECTOR OLSS) (W/-POSITION АВТОМАТИЧ. COMP.) (ДЛЯ ПОГРУЗ.) (ДЛЯ ECM)(№8-) ЭЛЕКТРИКА
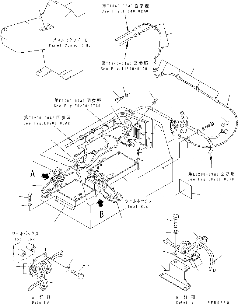
1
2
3
4
5
6
7
8
9
10
11
12
13
14
14
14
15
16
17
18
18
19
19
20
21
22
23
23
24
25
25
26
27
28
FIT
1:1
100%

Артикул

Название

Примечание

Количество

1

7827-50-2000

CONTROL BOX ASS'Y

2

01010-51020

BOLT

3

01643-31032

WASHER

4

08055-00282

CONNECTOR

5

7827-11-1520

RESISTOR

6

01010-80820

BOLT

7

01643-30823

WASHER

8

20Y-06-15160

SWITCH

9

203-06-41680

CAP

10

7827-55-2000

CONTROL BOX ASS'Y

11

01010-51025

BOLT

12

01643-31032

WASHER

13

209-06-61570

WIRING HARNESS

14

08036-01414

CLIP

15

209-00-51160

PLATE

|$21

209-00-51190

PLATE

|$22

209-00-63160

PLATE

16

209-00-67330

PLATE

17

209-06-61480

CONNECTOR

18

209-06-61660

WIRING HARNESS

19

17A-06-12560

PLATE

20

08034-20519

BAND

21

01010-51020

BOLT

22

01643-31032

WASHER

23

209-06-61670

WIRING HARNESS

24

17A-06-12560

PLATE

25

08034-20519

BAND

26

01010-51020

BOLT

27

01643-31032

WASHER

28

209-06-61680

BRACKET

Выбрано товаров: 30