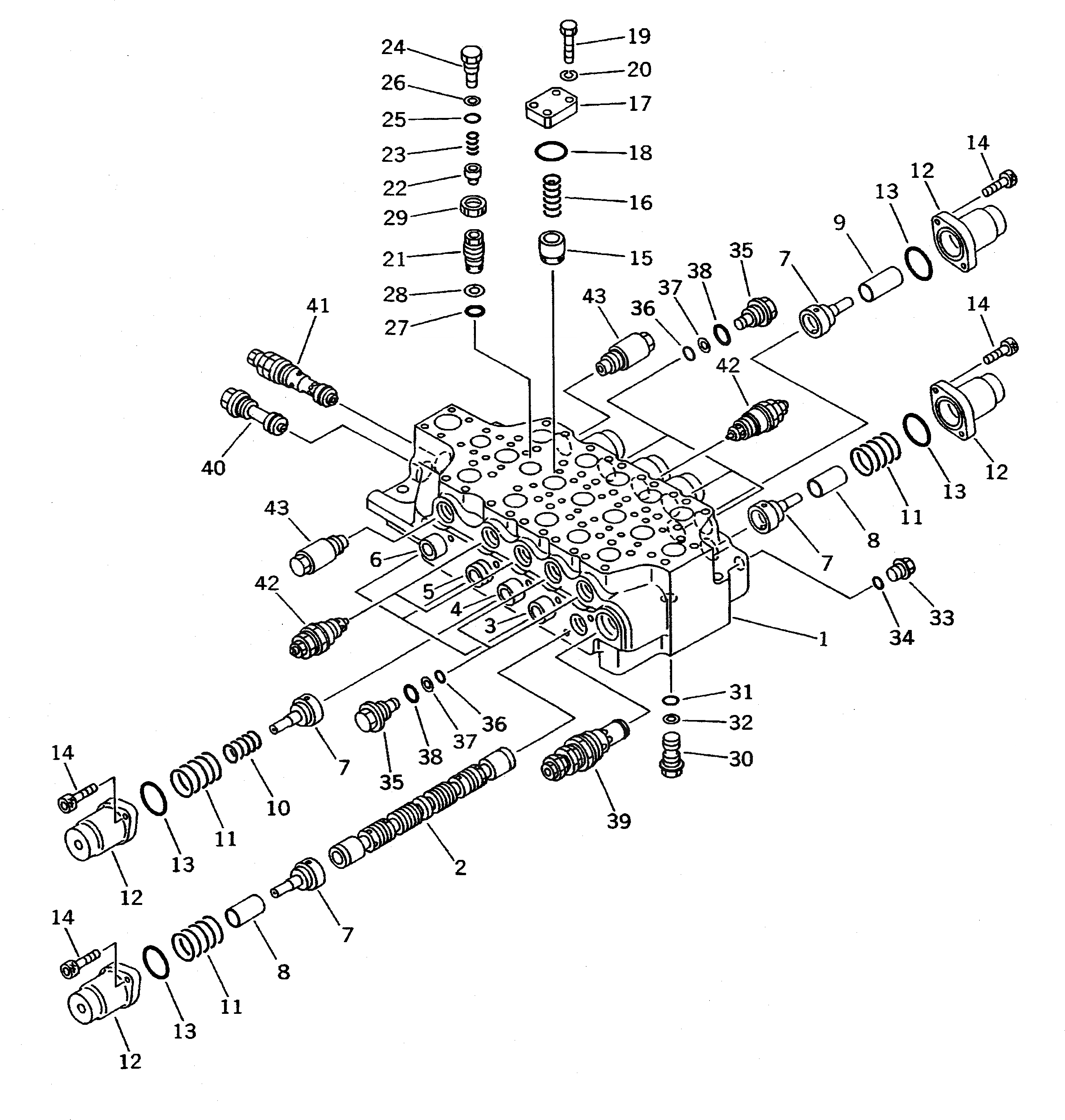
Запчасти Komatsu PC650-5 ОСНОВН. КЛАПАН (5-СЕКЦИОНН.) (/) ГИДРАВЛИКА

Схема запчастей Komatsu PC650-5 - ОСНОВН. КЛАПАН (5-СЕКЦИОНН.) (/) ГИДРАВЛИКА
FIT
1:1
100%

Артикул

Название

Примечание

Количество

|$3

709-15-93100

VALVE ASS'Y

1

BODY

2

SPOOL,SERVICE

3

SPOOL,BOOM HIGH

4

SPOOL,ARM LOW

5

SPOOL,BUCKET HIGH

6

SPOOL,L.H. TRAVEL

7

709-14-11530

RETAINER

8

709-14-11620

TUBE

9

709-14-11540

TUBE

10

709-14-11560

SPRING,INNER

11

709-14-11550

SPRING,OUTER

12

709-14-11520

CASE

13

07000-02065

O-RING

14

01252-31035

BOLT

15

709-12-11411

VALVE,CHECK

16

709-12-11430

SPRING

17

709-12-12440

PLATE

18

07000-13048

O-RING

19

01010-51250

BOLT

20

01602-21236

WASHER,SPRING

21

709-10-91320

SLEEVE

22

706-73-70140

VALVE,CHECK

23

706-73-70150

SPRING

24

709-74-92450

PLUG

25

07000-12010

O-RING

26

07001-02010

RING,BACK-UP

27

700-93-11320

O-RING

28

700-93-11330

RING,BACK-UP

29

709-74-92460

NUT

30

709-14-11510

PLUG

31

700-80-61260

O-RING

32

700-80-61430

RING,BACK-UP

33

700-22-11370

PLUG

34

07002-02434

O-RING

35

700-94-11260

PLUG

36

07000-12018

O-RING

37

07001-02018

RING,BACK-UP

38

07002-03634

O-RING

39

709-10-53800

VALVE ASS'Y,RELIEF

40

709-10-92100

ORIFICE ASS'Y

41

709-10-55102

VALVE ASS'Y,RELIEF

41

709-10-55101

VALVE ASS'Y,RELIEF

42

709-90-71600

VALVE ASS'Y,SUCTION AND SAFETY

43

700-90-74001

VALVE ASS'Y,SUCTION

Выбрано товаров: 45