Запчасти Komatsu PC650-5 NO. НАСОС (7/8) ГИДРАВЛИКА

Схема запчастей Komatsu PC650-5 - NO. НАСОС (7/8) ГИДРАВЛИКА
FIT
1:1
100%

Артикул

Название

Примечание

Количество

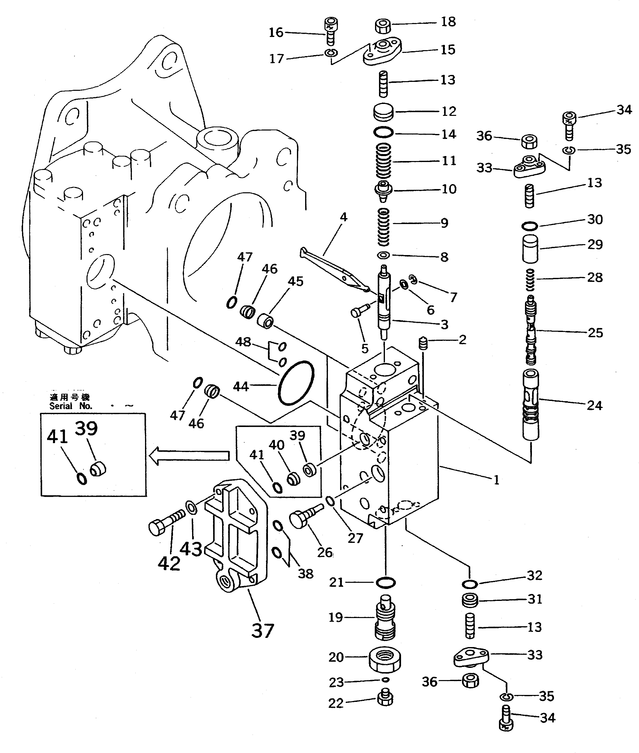
|1

708-25-04081

PUMP ASS'Y,(HPV 90+90)

|1

708-25-04080

PUMP ASS'Y,(HPV 90+90)

|1

708-25-09121

SERVO VALVE ASS'Y,FRONT

|1

4708-25-09120

SERVO VALVE ASS'Y,FRONT

|1

708-23-00411

BODY ASS'Y

1

BODY

2

EXPANDER

3

708-25-15120

PISTON

4

708-25-15270

ARM

5

708-25-15360

PIN

6

708-25-15370

WASHER

7

708-25-15380

E-RING

8

708-25-15130

SEAT

9

708-25-55130

SPRING

10

708-23-15120

SEAT

11

708-25-55120

SPRING

12

708-23-15160

PLUG

13

708-25-15340

SCREW

14

07000-02018

O-RING

15

708-25-15150

COVER

16

708-25-15320

BOLT

17

01602-20619

WASHER,SPRING

18

01580-10806

NUT

19

708-25-15171

PLUG

20

07239-12009

NUT

21

07002-02034

O-RING

22

07040-11007

PLUG

23

07002-01023

O-RING

24

708-25-15180

SLEEVE

25

708-25-15280

SPOOL

26

708-25-15260

PLUG

27

07002-00823

O-RING

28

708-25-15310

SPRING

29

708-25-15330

SPACER

30

07000-02012

O-RING

31

708-25-15430

PLUG

32

07000-02012

O-RING

33

708-25-15250

COVER

34

708-25-15320

BOLT

35

01602-20619

WASHER,SPRING

36

01580-10806

NUT

37

708-25-55110

PLATE

38

07000-02011

O-RING

39

708-25-19290

PLUG

|39

708-25-19191

ORIFICE

40

720-68-11920

FILTER

41

07000-12010

O-RING

42

01010-30825

BOLT

43

01643-50823

WASHER

44

07000-03048

O-RING

45

708-25-19150

ORIFICE

46

720-68-11920

FILTER

47

07000-12010

O-RING

48

07000-11009

O-RING

Выбрано товаров: 54