Запчасти Komatsu PC650-5 МАРКИРОВКА (OPERATING И ПРЕДУПРЕЖДАЮЩ. МАРКИРОВКА) (ДЛЯ ЯПОН.)(№-78) МАРКИРОВКА

Схема запчастей Komatsu PC650-5 - МАРКИРОВКА (OPERATING И ПРЕДУПРЕЖДАЮЩ. МАРКИРОВКА) (ДЛЯ ЯПОН.)(№-78) МАРКИРОВКА
FIT
1:1
100%

Артикул

Название

Примечание

Количество

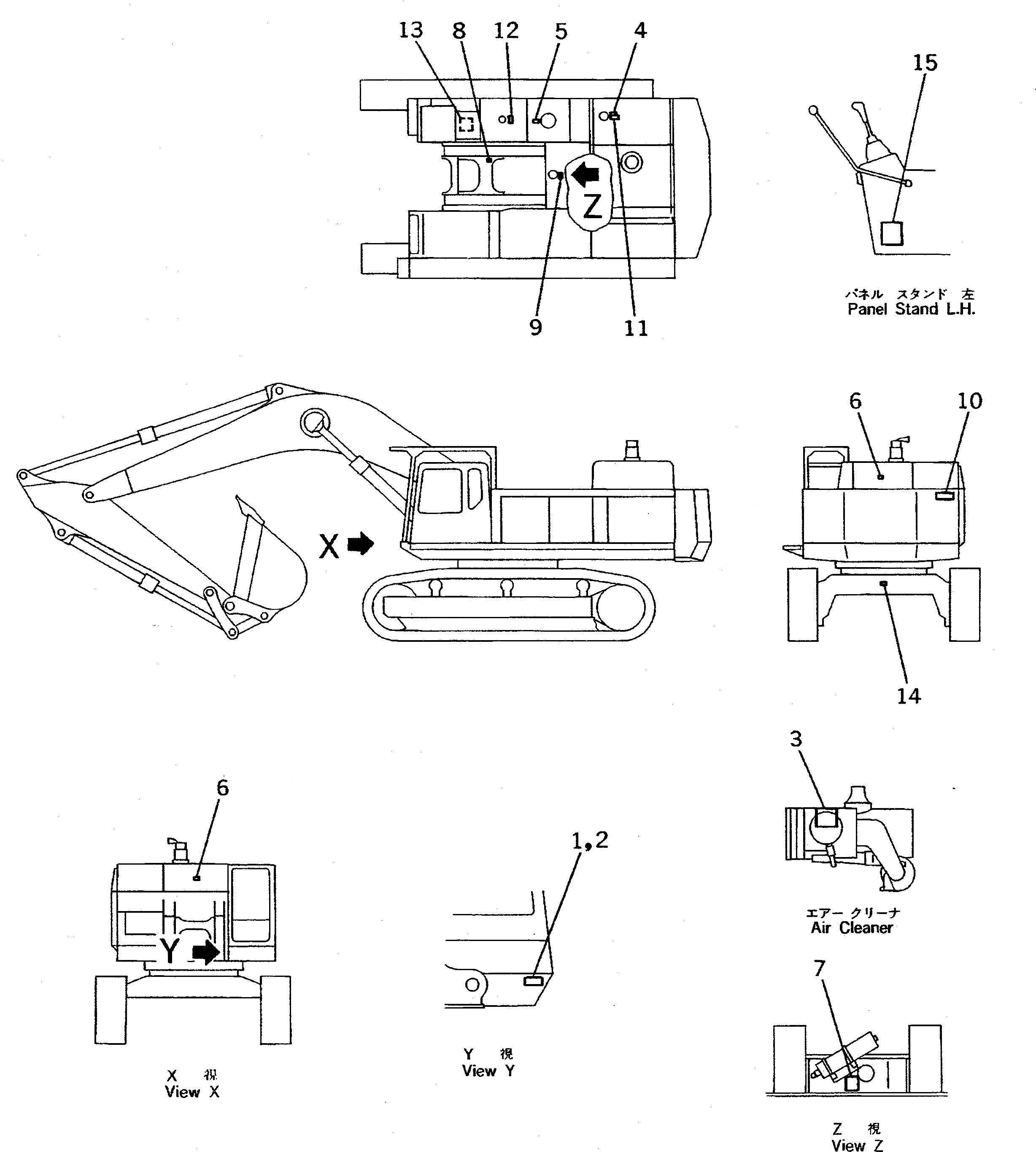
1

09601-00835

PLATE¤ NAME

|1

09602-01643

PLATE¤ NAME

2

04418-13060

SCREW

|2

01220-40608

SCREW

3

09637-00161

PLATE¤ INSTRUCTION

4

09668-00100

PLATE¤ SAFETY

5

09653-00100

PLATE¤ SAFETY

6

09667-00100

PLATE¤ SAFETY

7

09659-20100

PLATE¤ SAFETY

8

209-00-11170

PLATE¤ CAUTION

9

209-00-11490

PLATE¤ CAUTION

10

203-00-51210

PLATE¤ CAUTION

11

09650-01101

PLATE¤ INSTRUCTION

12

09101-00100

PLATE¤ INSTRUCTION

13

209-00-61140

PLATE

14

209-00-11170

PLATE¤ CAUTION

15

209-00-61111

PLATE,(PC650¤ PC650SE)

|15

209-00-61110

PLATE,(PC650¤ PC650SE)

|15

209-00-61121

PLATE,(PC650LC)

|15

209-00-61120

PLATE,(PC650LC)

Выбрано товаров: 20