Запчасти Komatsu PC650-6 ЦЕНТР. РАМА(№8-) ХОДОВАЯ

Схема запчастей Komatsu PC650-6 - ЦЕНТР. РАМА(№8-) ХОДОВАЯ
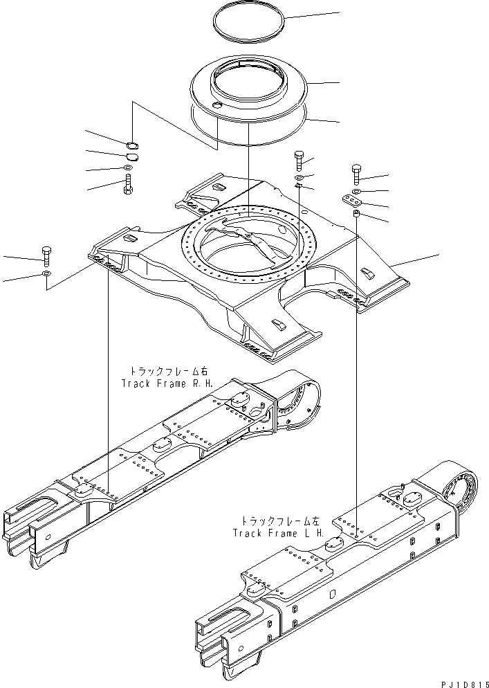
1
2
3
4
5
6
7
8
9
10
11
12
13
13
14
14
15
FIT
1:1
100%

Артикул

Название

Примечание

Количество

1

21M-30-11130

FRAME

2

209-30-11330

SPACER

3

21M-30-12170

PLATE

4

01643-33690

WASHER

5

01011-83630

BOLT

6

01643-33380

WASHER

7

15A-78-11270

BOLT

8

21M-30-13111

COVER

9

21M-30-13120

SEAL

10

21M-30-13140

SEAL

11

205-30-71191

GASKET

12

205-30-71181

COVER

13

01643-31232

WASHER

14

01010-81225

BOLT

15

21M-30-13130

BRACKET

Выбрано товаров: 0