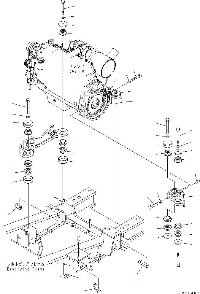
Запчасти Komatsu PC650-7-M1 КРЕПЛЕНИЕ ДВИГАТЕЛЯ КОМПОНЕНТЫ ДВИГАТЕЛЯ

Схема запчастей Komatsu PC650-7-M1 - КРЕПЛЕНИЕ ДВИГАТЕЛЯ КОМПОНЕНТЫ ДВИГАТЕЛЯ
1
2
3
4
5
5
6
7
7
7
7
8
9
10
10
11
11
12
12
13
13
14
14
14
14
15
15
16
16
17
17
18
18
19
19
20
20
21
21
22
FIT
1:1
100%

Артикул

Название

Примечание

Количество

1

21M-01-15320

BRACKET

2

21M-01-15330

BRACKET

3

01010-81685

BOLT

4

01010-81675

BOLT

5

01643-31645

WASHER

6

04020-01434

PIN

7

207-01-35140

CUSHION

8

21M-01-15360

STOPPER

9

208-01-11151

WASHER

10

21M-01-15370

STOPPER

11

208-01-11221

COLLAR

12

208-01-11181

BOLT

13

01643-32460

WASHER

14

207-01-35140

CUSHION

15

21M-01-11360

STOPPER

16

208-01-11151

WASHER

17

208-01-11161

WASHER

18

208-01-11221

COLLAR

19

208-01-11181

BOLT

20

01643-32460

WASHER

21

208-01-11171

PLATE

22

21M-01-11340

PLATE

Выбрано товаров: 22