Запчасти Komatsu PC650-7-M1 ОСНОВН. КЛАПАН (/) ГИДРАВЛИКА

Схема запчастей Komatsu PC650-7-M1 - ОСНОВН. КЛАПАН (/) ГИДРАВЛИКА
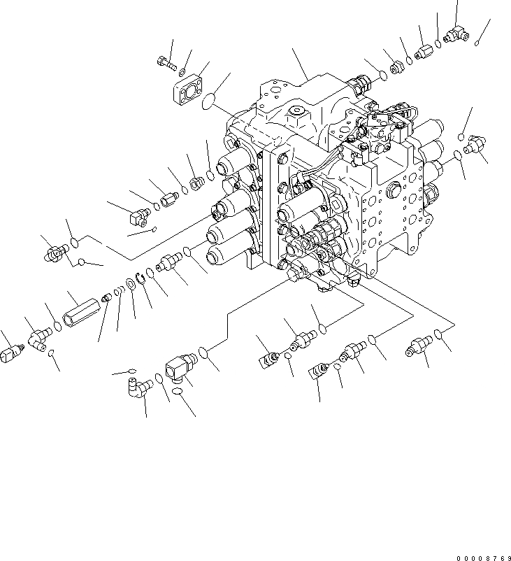
1
2
3
4
5
6
7
8
8
9
9
10
10
11
12
13
14
15
16
17
18
19
20
21
22
23
24
25
26
27
28
29
30
31
32
33
34
34
35
35
36
36
37
37
38
38
39
39
40
40
41
42
43
FIT
1:1
100%

Артикул

Название

Примечание

Количество

1

709-99-14702

CONTROL VALVE

2

207-62-56190

FLANGE

3

01010-81040

BOLT

4

01643-31032

WASHER

5

07000-13035

O-RING

6

21M-62-14330

ELBOW

7

21M-62-14340

ELBOW

8

02896-11009

O-RING

9

07002-12034

O-RING

10

206-06-61130

SWITCH

11

203-973-5610

UNION

12

07002-12034

O-RING

|13

21M-60-11510

VALVE ASS'Y

13

205-60-51410

SPRING

14

205-60-51420

SEAT

15

205-60-64290

BODY

16

21M-60-11520

POPPET

17

04065-01410

RING

18

07002-12034

O-RING

19

21M-62-14350

ELBOW

20

07002-12034

O-RING

21

206-06-61130

SWITCH

22

02896-11009

O-RING

23

21M-62-14360

ELBOW

24

07002-12034

O-RING

25

02782-10315

ELBOW

26

07002-12034

O-RING

27

02896-11009

O-RING

28

20U-62-46570

ELBOW

29

07002-12434

O-RING

30

02896-11015

O-RING

31

02782-10315

ELBOW

32

07002-12034

O-RING

33

02896-11009

O-RING

34

21M-62-16670

ADAPTER

35

07002-11423

O-RING

36

20Y-62-21940

FILTER ASS'Y

37

07002-12034

O-RING

38

8296-62-2160

ELBOW

39

07002-11423

O-RING

40

02896-11009

O-RING

41

02782-10316

ELBOW

42

07002-12034

O-RING

43

02896-11009

O-RING

Выбрано товаров: 44