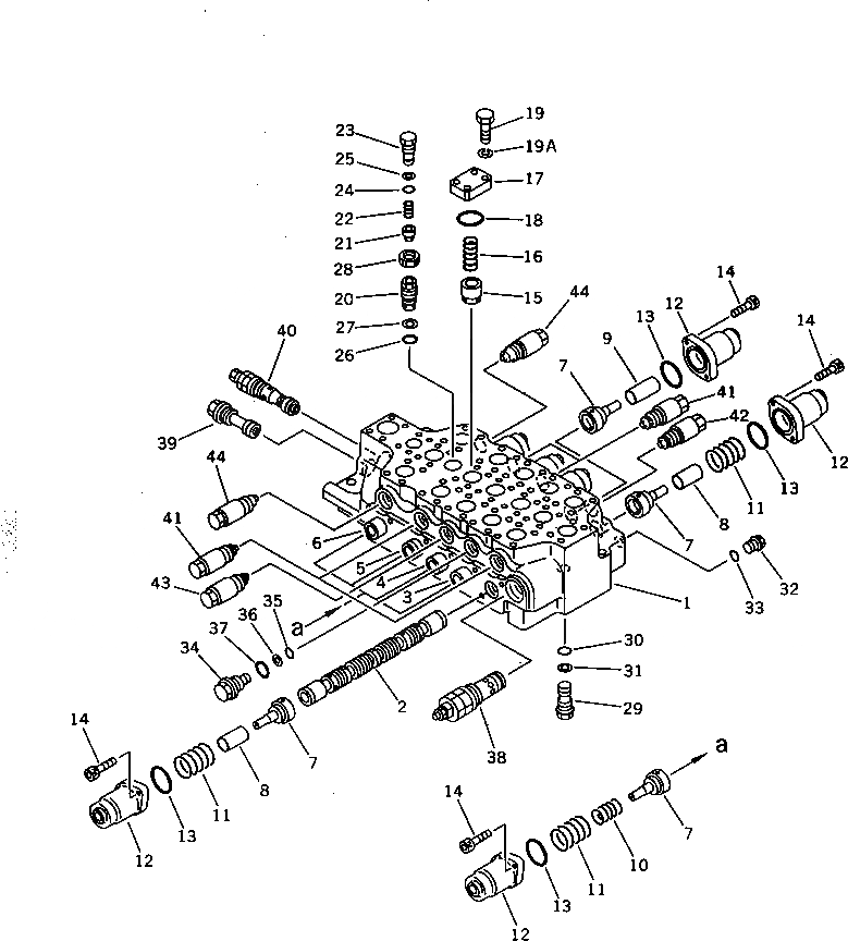
Запчасти Komatsu PC650LC-3 ЛЕВ. УПРАВЛЯЮЩ. КЛАПАН (/) УПРАВЛ-Е РАБОЧИМ ОБОРУДОВАНИЕМ

Схема запчастей Komatsu PC650LC-3 - ЛЕВ. УПРАВЛЯЮЩ. КЛАПАН (/) УПРАВЛ-Е РАБОЧИМ ОБОРУДОВАНИЕМ
FIT
1:1
100%

Артикул

Название

Примечание

Количество

|1

709-15-92100

VALVE ASS'Y

|1

709-15-91101

VALVE ASS'Y,(FOR BACKHOE)

|1

709-15-92100

VALVE ASS'Y

|1

709-15-91101

VALVE ASS'Y,(FOR BACKHOE)

1

BODY

|1

BODY

2

SPOOL,BOTTOM

3

SPOOL,BOOM

4

SPOOL,ARM

5

SPOOL,BUCKET

6

SPOOL,L.H. TRAVEL

7

709-14-11530

RETAINER

8

709-14-11620

TUBE

9

709-14-11540

TUBE

10

709-14-11560

SPRING,INNER

11

709-14-11550

SPRING,OUTER

12

709-14-11520

CASE

13

07000-02065

O-RING

14

01252-31035

BOLT

15

709-12-11411

VALVE,CHECK

16

709-12-11430

SPRING

17

709-12-12440

PLATE

18

07000-13048

O-RING

19

01010-51250

BOLT

19A

01602-21236

WASHER,SPRING

20

709-10-91320

SLEEVE

21

706-73-70140

VALVE,CHECK

22

706-73-70150

SPRING

23

709-74-92450

PLUG

24

07000-12010

O-RING

25

07001-02010

RING,BACK-UP

26

700-93-11320

O-RING

27

700-93-11330

RING,BACK-UP

28

709-74-92460

NUT

29

709-14-11510

PLUG

30

700-80-61260

O-RING

31

700-80-61430

RING,BACK-UP

32

700-22-11370

PLUG

33

07002-02434

O-RING

34

700-94-11260

PLUG

35

07000-12018

O-RING

36

07001-02018

RING,BACK-UP

37

07002-03634

O-RING

38

709-10-51902

VALVE ASS'Y

39

709-10-92100

ORIFICE ASS'Y

40

709-10-55101

VALVE ASS'Y

41

709-90-63201

VALVE ASS'Y

|41

709-90-63200

VALVE ASS'Y

42

709-90-63101

VALVE ASS'Y

|42

709-90-63100

VALVE ASS'Y

43

709-90-63101

VALVE ASS'Y

|43

709-90-63100

VALVE ASS'Y

|43

709-90-63201

VALVE ASS'Y

|43

709-90-63200

VALVE ASS'Y

|43

709-90-63101

VALVE ASS'Y

|43

709-90-63100

VALVE ASS'Y

|43

709-90-63201

VALVE ASS'Y

|43

709-90-63200

VALVE ASS'Y

44

700-90-74001

VALVE ASS'Y

Выбрано товаров: 59