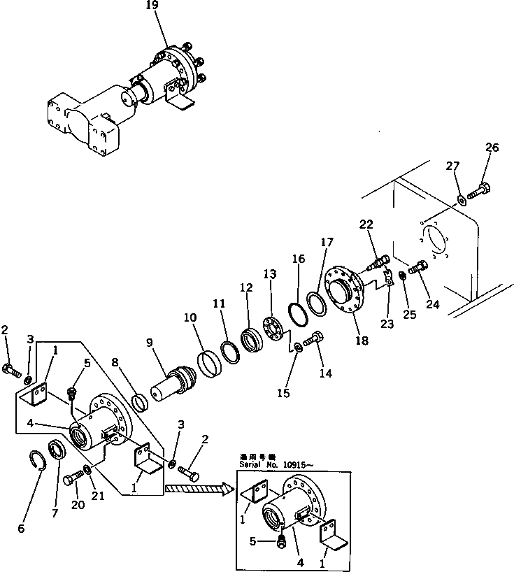
Запчасти Komatsu PC650LC-3 ОПОРНЫЙ ЭЛЕМЕНТ ЛЕНИВЦА (/) ХОДОВАЯ

Схема запчастей Komatsu PC650LC-3 - ОПОРНЫЙ ЭЛЕМЕНТ ЛЕНИВЦА (/) ХОДОВАЯ
FIT
1:1
100%

Артикул

Название

Примечание

Количество

|1

209-30-00112

HIC. CYLINDER ASS'Y,HIC. L.H.

|1

209-30-00122

HIC. CYLINDER ASS'Y,HIC. R.H.

1

209-30-15270

BRACKET

2

01010-51225

BOLT

3

01643-31232

WASHER

4

209-30-15162

CYLINDER

5

07029-00000

VALVE,RELIEF

6

209-30-15190

RING,SNAP

7

07016-01008

SEAL,DUST

8

07177-01035

BUSHING

9

209-30-15151

PLUNGER

10

07155-01535

RING

11

209-30-15220

RING,BACK-UP

12

209-30-15210

PACKING

13

209-30-15180

COLLAR

14

01010-51230

BOLT

15

01643-31232

WASHER

16

07000-15140

O-RING

17

07001-05140

RING,BACK-UP

18

209-30-15174

GLAND,L.H.

19

209-30-15284

GLAND,R.H.

20

01010-52075

BOLT

21

01643-32060

WASHER

22

198-30-14420

PLUG

23

21T-30-14250

STOPPER

24

01010-51225

BOLT

25

01643-31232

WASHER

26

01011-52020

BOLT

27

01643-32060

WASHER

Выбрано товаров: 29