Запчасти Komatsu PC650LC-3 РЫЧАГ УПРАВЛ-Я ХОДОМ (/) СИСТЕМА УПРАВЛЕНИЯ И ОСНОВНАЯ РАМА

Схема запчастей Komatsu PC650LC-3 - РЫЧАГ УПРАВЛ-Я ХОДОМ (/) СИСТЕМА УПРАВЛЕНИЯ И ОСНОВНАЯ РАМА
FIT
1:1
100%

Артикул

Название

Примечание

Количество

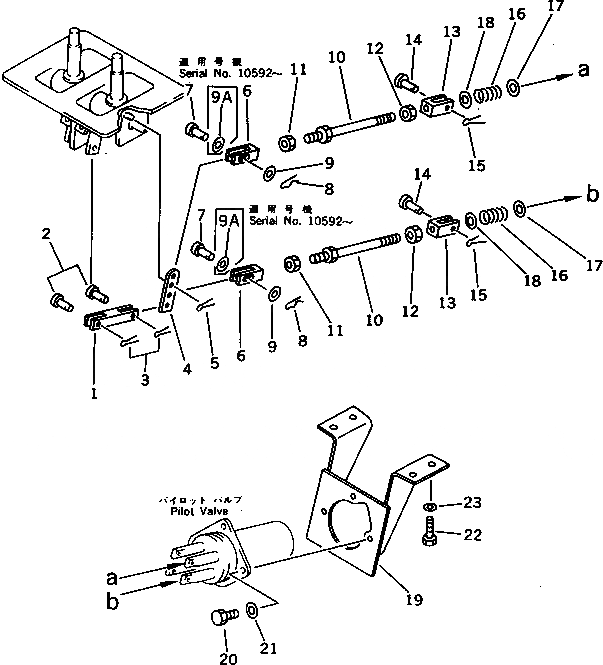
1

101-75-31870

YOKE

2

04205-10822

PIN

3

04050-12015

PIN,COTTER

4

209-43-51540

LEVER

5

04050-12015

PIN,COTTER

6

205-43-72910

YOKE

7

04205-10825

PIN

8

04052-00833

PIN,SNAP

9

01643-30823

WASHER

|9

01643-51032

WASHER

9A

01641-20812

WASHER

10

04248-30815

ROD

11

01508-20805

NUT

12

01580-10806

NUT

13

205-43-72890

YOKE

14

04205-10622

PIN

15

04050-11612

PIN,COTTER

16

205-43-73220

SPRING

|16

205-43-72820

SPRING

17

198-03-17390

SPACER

18

01641-21423

WASHER

19

209-43-51190

BRACKET

20

01010-50825

BOLT

21

01643-30823

WASHER

22

01010-51225

BOLT

23

01643-31232

WASHER

Выбрано товаров: 26