Запчасти Komatsu PC650LC-3 FOPS (ДЛЯ НИЗ. КАБИНА)(№-8) ЧАСТИ КОРПУСА

Схема запчастей Komatsu PC650LC-3 - FOPS (ДЛЯ НИЗ. КАБИНА)(№-8) ЧАСТИ КОРПУСА
FIT
1:1
100%

Артикул

Название

Примечание

Количество

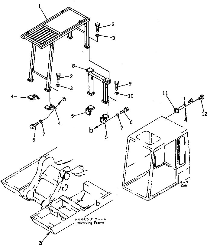
G-1

209-956-X100

FOPS GROUP

1

209-956-5210

GUARD

2

01010-51640

BOLT

3

01643-31645

WASHER

4

209-956-7130

BRACKET

5

209-956-5130

BRACKET

6

01010-51640

BOLT

7

01643-31645

WASHER

8

209-956-5110

GUARD

9

01010-51640

BOLT

10

01643-31645

WASHER

11

209-956-5150

PLATE

12

01220-40420

SCREW

Выбрано товаров: 13