Запчасти Komatsu PC650LC-3 ГЛАВН. ТРУБЫ (ДЛЯ ЦИЛИНДР СТОПОРН. КЛАПАН) (С FREE ПОВОРОТН.) УПРАВЛ-Е РАБОЧИМ ОБОРУДОВАНИЕМ

Схема запчастей Komatsu PC650LC-3 - ГЛАВН. ТРУБЫ (ДЛЯ ЦИЛИНДР СТОПОРН. КЛАПАН) (С FREE ПОВОРОТН.) УПРАВЛ-Е РАБОЧИМ ОБОРУДОВАНИЕМ
FIT
1:1
100%

Артикул

Название

Примечание

Количество

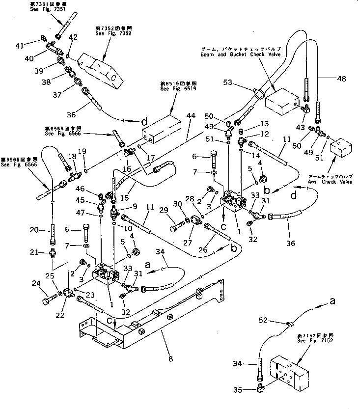
G-1

209-62-X1500

LOCK VALVE GROUP

1

702-15-29001

VALVE ASS'Y

2

07040-12012

PLUG

3

07002-02034

O-RING

4

700-22-11370

PLUG

5

07002-02434

O-RING

6

01010-51060

BOLT

7

01643-31032

WASHER

8

209-62-58890

BRACKET

9

208-62-17550

TEE

10

07002-01423

O-RING

11

07102-20205

HOSE

12

07235-50210

ELBOW

13

07042-30108

PLUG

14

07002-01423

O-RING

15

07102-20205

HOSE

16

245-62-51510

ELBOW

17

07002-01423

O-RING

18

245-62-51510

ELBOW

19

07002-01423

O-RING

20

07102-20206

HOSE

21

07238-10210

CONNECTOR

22

209-62-58980

ELBOW

23

07000-02016

O-RING

24

01010-50835

BOLT

25

01643-30823

WASHER

26

07102-20206

HOSE

27

205-62-72370

ELBOW

28

07000-02016

O-RING

29

01010-50835

BOLT

30

01643-30823

WASHER

31

07236-50315

ELBOW

32

07042-30108

PLUG

33

07002-02034

O-RING

34

07102-20325

HOSE

35

205-62-53461

ELBOW

36

07102-20350

HOSE

37

176-62-15750

NIPPLE

38

205-60-71240

VALVE,CHECK

39

430-07-27120

NIPPLE

40

209-62-58880

ELBOW

41

07042-30211

PLUG

42

07002-12034

O-RING

43

205-62-74710

ELBOW

44

07102-20220

HOSE

45

07235-50210

ELBOW

46

07042-30108

PLUG

47

07002-01423

O-RING

48

07102-20220

HOSE

49

07235-50210

ELBOW

50

07042-30108

PLUG

51

07002-01423

O-RING

52

08036-01814

CLIP

53

08034-00519

BAND

Выбрано товаров: 54