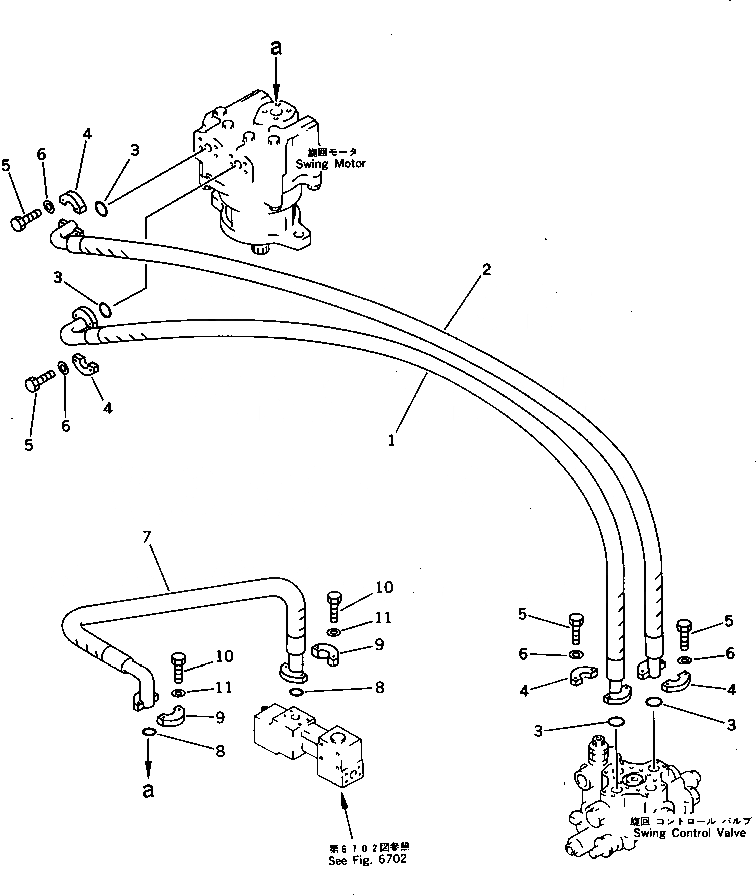
Запчасти Komatsu PC650LC-3 МОТОР ПОВОРОТА ТРУБЫ УПРАВЛ-Е РАБОЧИМ ОБОРУДОВАНИЕМ
1
07098-01012
HOSE
2
07098-01014
HOSE
3
07000-13032
O-RING
4
07371-31049
FLANGE,SPLIT
5
07372-21035
BOLT
6
01643-51032
WASHER
7
07298-01413
HOSE
8
07000-03048
O-RING
9
07371-31465
FLANGE,SPLIT
10
07372-21240
BOLT
11
01643-51232
WASHER
Выбрано товаров: 0