Запчасти Komatsu PC650LC-5 NO. НАСОС (/) (С -STAGE SELECTOR MODE OLSS) (КРОМЕ ЯПОН.) ГИДРАВЛИКА

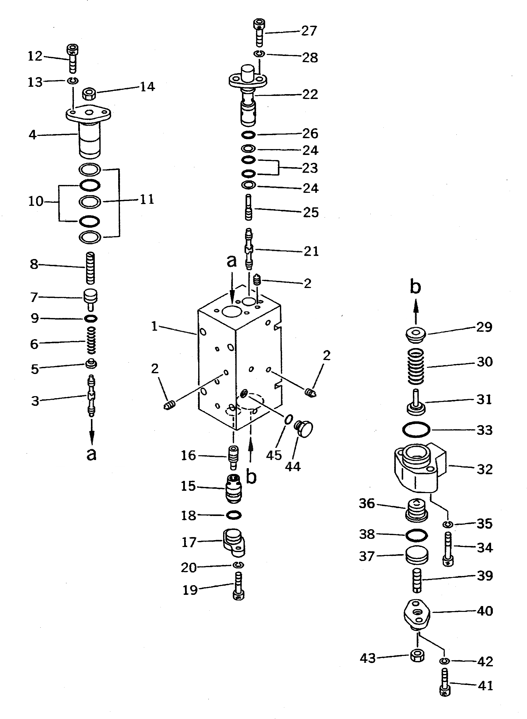
Схема запчастей Komatsu PC650LC-5 - NO. НАСОС (/) (С -STAGE SELECTOR MODE OLSS)       (КРОМЕ ЯПОН.) ГИДРАВЛИКА
FIT
1:1
100%

Артикул

Название

Примечание

Количество

|$2

708-25-04090

PUMP ASS'Y

|$4

708-25-09211

SERVO VALVE ASS'Y,REAR

|$6

708-25-09611

VALVE ASS'Y,CO AND NC

|$7

708-23-00430

BODY ASS'Y

1

BODY

2

EXPANDER

3

708-25-17141

SPOOL

4

708-25-17131

COVER

5

708-25-17180

SEAT

6

708-25-17690

SPRING

7

708-25-17460

PLUG

8

708-25-17430

SCREW

9

07000-02010

O-RING

10

07000-12021

O-RING

11

07001-02021

RING,BACK-UP

12

708-25-15320

BOLT

13

01602-20619

WASHER,SPRING

14

01580-10806

NUT

15

708-25-17150

SLEEVE

16

708-25-17160

PISTON

17

708-25-17170

COVER

18

07000-02014

O-RING

19

708-25-15320

BOLT

20

01602-20619

WASHER,SPRING

21

708-25-17141

SPOOL

22

708-25-17451

SLEEVE

23

07000-12012

O-RING

24

07001-02012

RING,BACK-UP

25

708-25-17220

PISTON

26

07000-02012

O-RING

27

708-25-15320

BOLT

28

01602-20619

WASHER,SPRING

29

708-25-17370

SEAT

30

708-25-17250

SPRING

31

708-25-17260

SEAT

32

708-23-17290

COVER

33

07000-03028

O-RING

34

706-75-40310

BOLT

35

01602-20619

WASHER,SPRING

36

708-23-17270

PISTON

37

708-25-17380

PLUG

38

07000-02021

O-RING

39

708-25-15340

SCREW

40

708-23-17240

COVER

41

708-25-15320

BOLT

42

01602-20619

WASHER,SPRING

43

01580-10806

NUT

44

07040-11007

PLUG

45

07002-01023

O-RING

Выбрано товаров: 49