Запчасти Komatsu PC650LC-5 ПРАВ. УПРАВЛ-Е СТОЙКА (БЕЗ РАДИО) (ДЛЯ LO КАБИНА) (ДЛЯ ЭКСКАВАТ.) КАБИНА ОПЕРАТОРА И СИСТЕМА УПРАВЛЕНИЯ

Схема запчастей Komatsu PC650LC-5 - ПРАВ. УПРАВЛ-Е СТОЙКА (БЕЗ РАДИО) (ДЛЯ LO КАБИНА) (ДЛЯ ЭКСКАВАТ.) КАБИНА ОПЕРАТОРА И СИСТЕМА УПРАВЛЕНИЯ
FIT
1:1
100%

Артикул

Название

Примечание

Количество

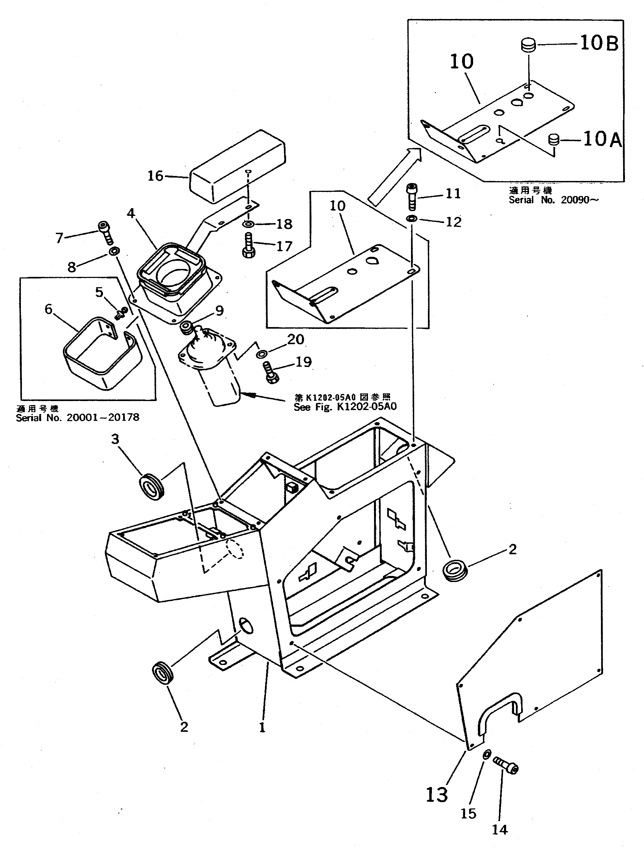
1

209-43-61420

BOX,R.H.

2

08037-03614

GROMMET

2A

08037-05022

GROMMET

3

581-35-15430

GROMMET

4

209-43-61740

COVER,R.H.

4

209-43-63141

COVER,R.H.

5

203-43-56590

PLUG

6

209-43-63160

SHEET

7

01245-00620

SCREW

7

209-43-61340

SCREW

8

205-43-73420

WASHER

9

08037-01008

GROMMET

10

209-43-61371

PANEL

10

209-43-61370

PANEL,R.H.

10A

09415-00706

CAP

10B

09415-01610

CAP

11

209-43-61340

SCREW

12

205-43-73420

WASHER

13

209-43-61430

COVER,R.H.

14

01010-50616

BOLT

15

01643-30623

WASHER

16

209-43-63151

ARM REST

17

01010-50830

BOLT

18

01643-30823

WASHER

19

01010-50825

BOLT

20

01643-30823

WASHER

Выбрано товаров: 26