Запчасти Komatsu PC650LC-5 ЦЕНТР. РАМА(№-98) ХОДОВАЯ

Схема запчастей Komatsu PC650LC-5 - ЦЕНТР. РАМА(№-98) ХОДОВАЯ
FIT
1:1
100%

Артикул

Название

Примечание

Количество

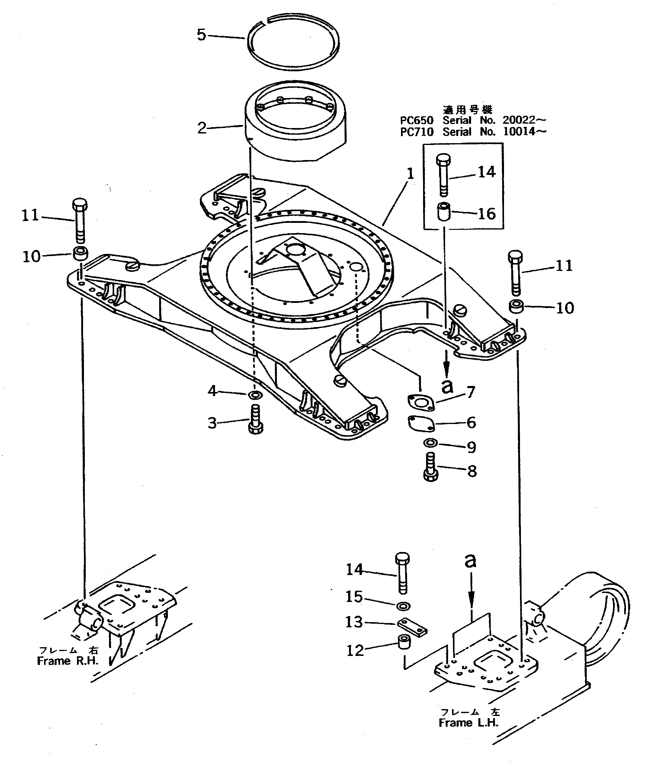
1

209-30-61113

FRAME

1

209-30-61112

FRAME

1

209-30-61111

FRAME

1

209-62-64220

SEAT

2

209-30-11362

COVER

3

01010-51230

BOLT

4

175-54-34170

WASHER

4

01643-31232

WASHER

5

209-30-11341

SEAL

6

205-30-71181

COVER

7

205-30-71191

GASKET

8

01010-51225

BOLT

9

01643-31232

WASHER

10

209-30-61120

SPACER

10

209-30-61120

SPACER

11

209-09-51110

BOLT

11

209-09-51110

BOLT

12

209-30-11320

COLLAR

13

209-30-61130

PLATE

14

209-09-61110

BOLT

14

209-09-61110

BOLT

15

01643-33690

WASHER

16

209-30-61140

SPACER

Выбрано товаров: 23