Запчасти Komatsu PC650LC-5 МАРКИРОВКА (OPERATING И ПРЕДУПРЕЖДАЮЩ. МАРКИРОВКА) (КИТАЙ)(№-78) МАРКИРОВКА

Схема запчастей Komatsu PC650LC-5 - МАРКИРОВКА (OPERATING И ПРЕДУПРЕЖДАЮЩ. МАРКИРОВКА) (КИТАЙ)(№-78) МАРКИРОВКА
FIT
1:1
100%

Артикул

Название

Примечание

Количество

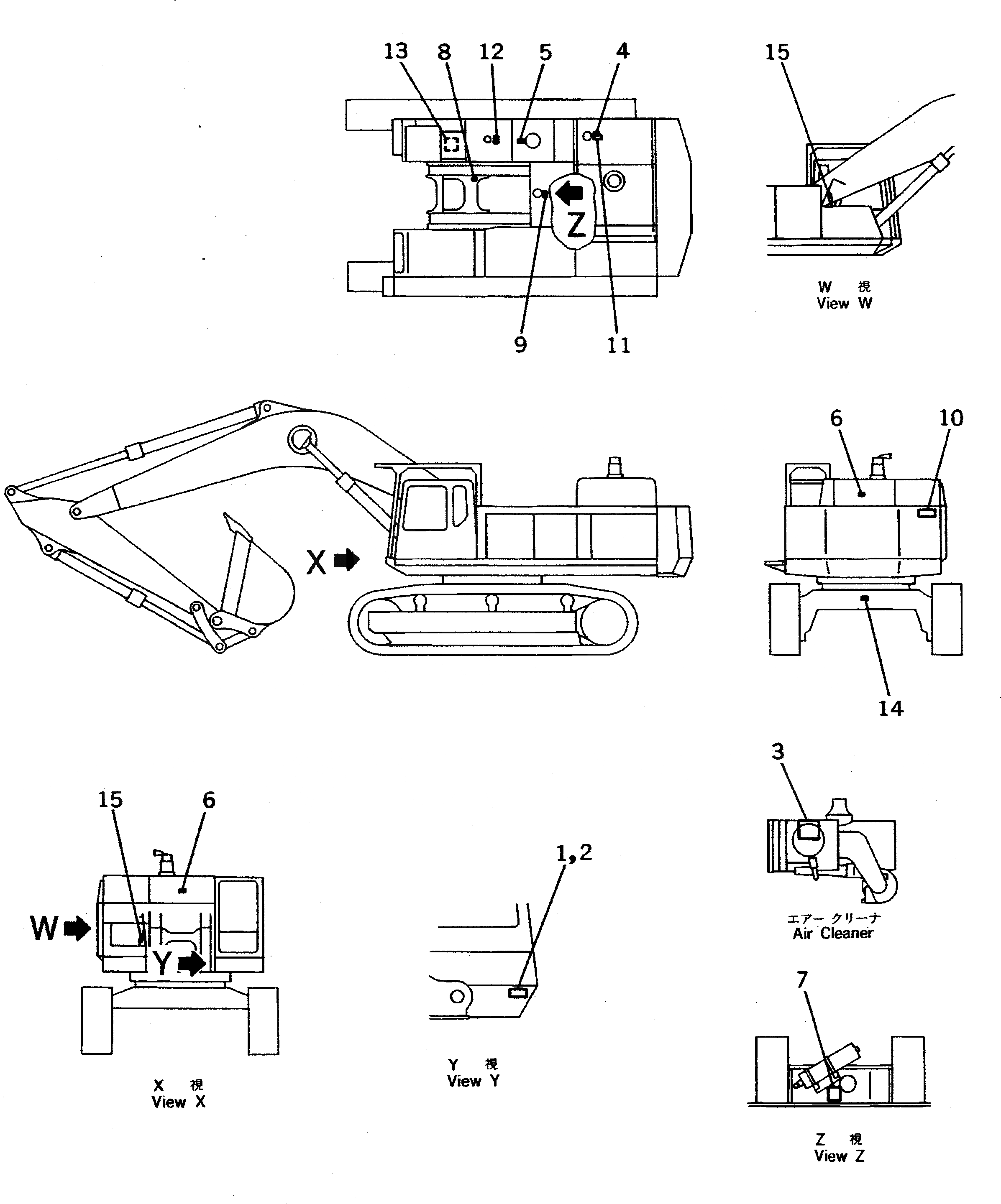
1

09601-90835

PLATE, NAME

1

09602-91643

PLATE, NAME

2

04418-13060

SCREW

2

01220-60408

SCREW

3

09637-90261

PLATE, INSTRUCTION

4

09668-09000

PLATE, SAFETY

5

09653-09000

PLATE, SAFETY

6

09667-09000

PLATE, SAFETY

7

09659-29000

PLATE, SAFETY

8

209-00-15510

PLATE, CAUTION

9

209-00-15490

PLATE, CAUTION

10

208-00-51560

PLATE, CAUTION

11

09650-90101

PLATE, INSTRUCTION

12

09101-09000

PLATE, CAUTION

13

209-00-65141

PLATE

13

209-00-65140

PLATE

14

209-00-15510

PLATE, CAUTION

15

203-00-31410

PLATE, SAFETY

Выбрано товаров: 0