Запчасти Komatsu PC650LC-5 NO. НАСОС (/) (С -STAGE SELECTOR MODE OLSS) ГИДРАВЛИКА

Схема запчастей Komatsu PC650LC-5 - NO. НАСОС (/) (С -STAGE SELECTOR MODE OLSS) ГИДРАВЛИКА
FIT
1:1
100%

Артикул

Название

Примечание

Количество

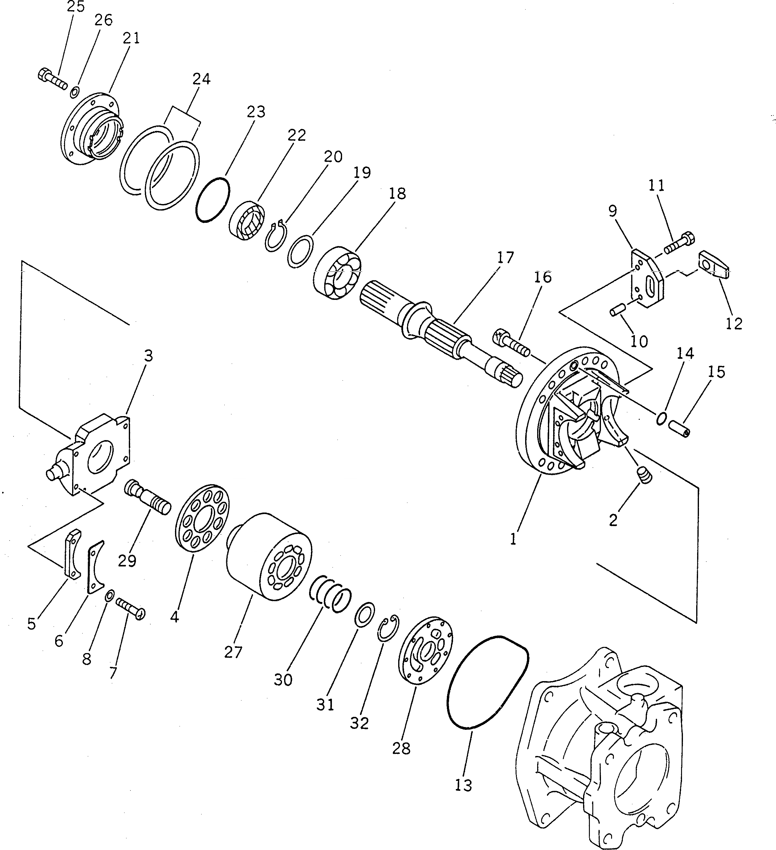
|1

708-25-04071

PUMP ASS'Y

|1

708-25-04170

PUMP SUB ASS'Y

|1

708-25-00051

CRADLE ASS'Y,FRONT

|1

708-25-00520

CRADLE SUB ASS'Y,FRONT

1

CRADLE,FRONT

2

PLUG

3

708-25-23411

CAM,CAM

4

708-25-13422

RETAINER,SHOE

5

708-25-05061

SPACER KIT

|5

SPACER¤ 11.540MM

|5

SPACER¤ 11.560MM

|5

SPACER¤ 11.575MM

6

708-25-13441

RETAINER

7

708-25-13470

SCREW

8

01643-30623

WASHER

9

708-25-12360

PLATE

10

04020-00820

PIN,DOWEL

11

01010-50816

BOLT

12

708-25-14121

SLIDER

13

708-25-12340

O-RING

14

07000-12015

O-RING

15

708-25-12330

JOINT

16

708-25-12350

BOLT

17

708-25-52710

SHAFT,FRONT

18

708-25-12731

BEARING

19

708-25-05010

WASHER KIT

|19

WASHER¤ 2.0MM

|19

WASHER¤ 2.1MM

|19

WASHER¤ 2.2MM

20

708-25-12790

RING,SNAP

21

708-25-12812

HOUSING

22

708-25-52860

SEAL,OIL

23

07000-02080

O-RING

24

708-25-05130

SHIM KIT

|24

SHIM¤ 0.1MM

|24

SHIM¤ 0.2MM

25

01010-50820

BOLT

26

01643-30823

WASHER

|27

708-25-00401

CYLINDER BLOCK ASS'Y,FRONT

27

708-25-13151

BLOCK,CYLINDER

28

708-25-13611

PLATE,VALVE¤ FRONT

29

708-25-13312

PISTON SUB ASS'Y

30

708-25-13130

SPRING

31

708-25-13120

WASHER

32

708-25-13140

RING,SNAP

Выбрано товаров: 45