Запчасти Komatsu PC650LC-6 КОМПОНЕНТЫ ДВИГАТЕЛЯ (КОРПУС)(№-999) КОМПОНЕНТЫ ДВИГАТЕЛЯ

Схема запчастей Komatsu PC650LC-6 - КОМПОНЕНТЫ ДВИГАТЕЛЯ (КОРПУС)(№-999) КОМПОНЕНТЫ ДВИГАТЕЛЯ
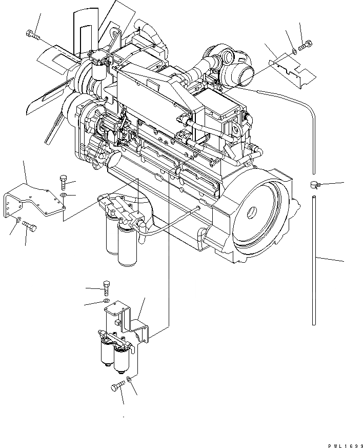
1
2
3
4
5
6
7
8
9
10
11
12
13
14
15
16
FIT
1:1
100%

Артикул

Название

Примечание

Количество

1

02010-70870

BOLT

2

21M-01-11441

COVER

3

02010-70619

BOLT

4

01643-31032

WASHER

5

21M-01-11450

BRACKET

6

02030-70625

BOLT

7

01643-31032

WASHER

8

02010-70625

BOLT

9

01643-31032

WASHER

10

07287-01610

HOSE

11

07285-00180

CLIP

12

21M-01-11460

BRACKET

13

01010-81255

BOLT

14

01643-31232

WASHER

15

02010-70638

BOLT

16

01643-31032

WASHER

Выбрано товаров: 16