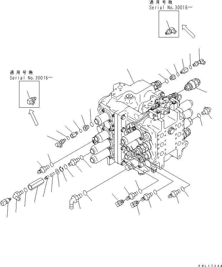
Запчасти Komatsu PC650LC-6 ОСНОВН. КЛАПАН ( АКТУАТОР) (ДЛЯ ТОРМОЗ.R) (/) ГИДРАВЛИКА

Схема запчастей Komatsu PC650LC-6 - ОСНОВН. КЛАПАН ( АКТУАТОР) (ДЛЯ ТОРМОЗ.R) (/) ГИДРАВЛИКА
1
2
3
4
5
5
6
6
7
8
9
10
11
12
13
14
15
16
17
18
19
20
21
22
23
24
24
25
25
26
26
27
27
28
28
28
28
29
29
30
31
FIT
1:1
100%

Артикул

Название

Примечание

Количество

1

709-99-14702

CONTROL VALVE

|1

709-99-14701

CONTROL VALVE

2

709-90-71400

VALVE ASS'Y

3

07236-50315

ELBOW

4

21M-62-16490

ELBOW

5

07002-12034

O-RING

6

206-06-61130

SWITCH

7

203-973-5610

UNION

8

07002-12034

O-RING

|9

21M-60-11510

VALVE ASS'Y

9

205-60-51410

SPRING

10

205-60-51420

SEAT

11

BODY

12

21M-60-11520

POPPET

13

04065-01410

RING

14

07002-12034

O-RING

15

209-62-57920

ELBOW

16

07002-12034

O-RING

17

206-06-61130

SWITCH

18

21M-62-16460

ELBOW

19

07002-12034

O-RING

20

07236-10315

ELBOW

21

07002-12034

O-RING

22

07235-10522

ELBOW

23

07002-12434

O-RING

24

21M-62-16670

ADAPTER

25

07002-11423

O-RING

26

20Y-62-21940

FILTER ASS'Y

27

07002-12034

O-RING

28

207-62-63780

ELBOW

|28

19M-61-14940

ELBOW

29

07002-11423

O-RING

30

07235-10316

ELBOW

31

07002-12034

O-RING

Выбрано товаров: 0