Запчасти Komatsu PC650LC-6 NO. НАСОС ГИДРАВЛИКА

Схема запчастей Komatsu PC650LC-6 - NO. НАСОС ГИДРАВЛИКА
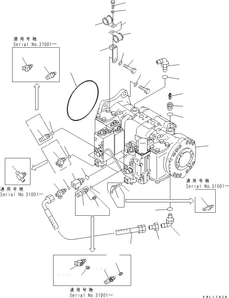
1
2
3
4
5
5
6
7
8
9
9
10
11
11
11
11A
11A
11A
11B
11B
11B
12
12
13
14
15
16
17
18
19
20
21
22
23
23
24
25
26
27
28
28
29
FIT
1:1
100%

Артикул

Название

Примечание

Количество

1

207-62-56220

TEE

2

07002-12034

O-RING

3

21T-62-29960

TEE

4

07002-11423

O-RING

5

07235-10311

ELBOW

6

07002-11423

O-RING

7

07235-10628

ELBOW

8

07002-12434

O-RING

9

20Y-62-11780

TEE

|9

21T-62-29960

TEE

10

07002-11423

O-RING

11

22X-61-18550

ELBOW

11A

20Y-62-17720

ELBOW

11B

07042-30108

PLUG

12

07002-11423

O-RING

13

07235-10318

ELBOW

14

07002-12434

O-RING

15

07185-00304

HOSE

16

12F-62-33241

NIPPLE

17

708-2L-00710

PUMP ASS'Y

|17

708-2L-00731

PUMP ASS'Y

18

706-87-40150

PLUG

19

20B-27-11210

BLEEDER

20

07002-12434

O-RING

21

198-49-46260

BRACKET

22

04434-53412

CLIP

23

07095-20627

CUSHION

24

01010-81230

BOLT

25

01643-31232

WASHER

26

01010-81650

BOLT

27

01010-81665

BOLT

28

01643-31645

WASHER

29

07000-15230

O-RING

Выбрано товаров: 33