Качественные детали и логистика
Оригинальные и аналоговые запчасти с доставкой по России, Казахстану и Беларуси
©2022 PartSell ООО "Система" ИНН 2463123282 ОГРН 1212400004838
Центральный офис: г. Красноярск, Академика Киренского, д.87, пом.4
Телефон: 8 (800) 777-65-74 Email: zakaz@partsell.ru
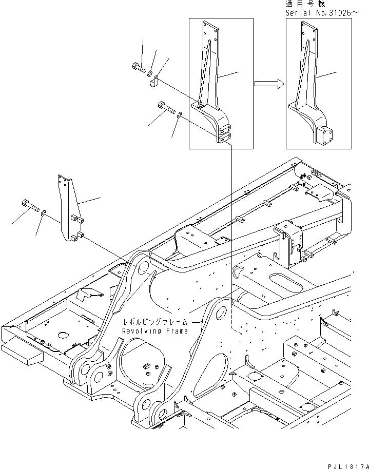
НАВЕСНОЕ ОБОРУД-Е
№
Артикул
Название
Примечание
Количество
1
21M-970-1322
BRACKET
|1
21M-970-1321
2
01011-81625
BOLT
|2
01010-81675
3
01643-31645
WASHER
3A
04434-52512
CLIP
3B
01010-81225
3C
01643-31232
4
21M-970-1331
5
01010-81270
6
Выбрано товаров: 0