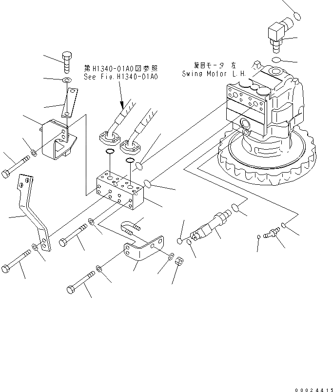
Запчасти Komatsu PC650LC-7-M1 МЕХАНИЗМ ПОВОРОТА (БЛОК) ( АКТУАТОР) (ЛЕВ.) ПОВОРОТН. КРУГ И КОМПОНЕНТЫ

Схема запчастей Komatsu PC650LC-7-M1 - МЕХАНИЗМ ПОВОРОТА (БЛОК) ( АКТУАТОР) (ЛЕВ.) ПОВОРОТН. КРУГ И КОМПОНЕНТЫ
1
2
2
3
4
5
6
7
7
8
8
9
10
11
12
13
14
15
16
16
17
18
19
20
21
22
23
24
25
26
FIT
1:1
100%

Артикул

Название

Примечание

Количество

1

20Y-62-21421

BLOCK

2

07000-13030

O-RING

3

21M-62-16251

BRACKET

4

207-977-5120

BRACKET

5

01010-81230

BOLT

6

01643-31232

WASHER

7

01010-81080

BOLT

8

01643-31032

WASHER

9

01010-81075

BOLT

10

01643-31032

WASHER

11

21M-970-1721

BRACKET

12

01010-81090

BOLT

13

01643-31032

WASHER

14

20Y-62-41940

ELBOW

15

07002-12434

O-RING

16

02896-11015

O-RING

17

207-62-72131

ELBOW

18

07002-12434

O-RING

19

207-62-64740

O-RING

20

02782-10311

ELBOW

21

07002-11423

O-RING

22

02896-11009

O-RING

23

21M-26-11230

BRACKET

24

07283-22738

CLIP

25

01643-31032

WASHER

26

01597-01009

NUT

Выбрано товаров: 26