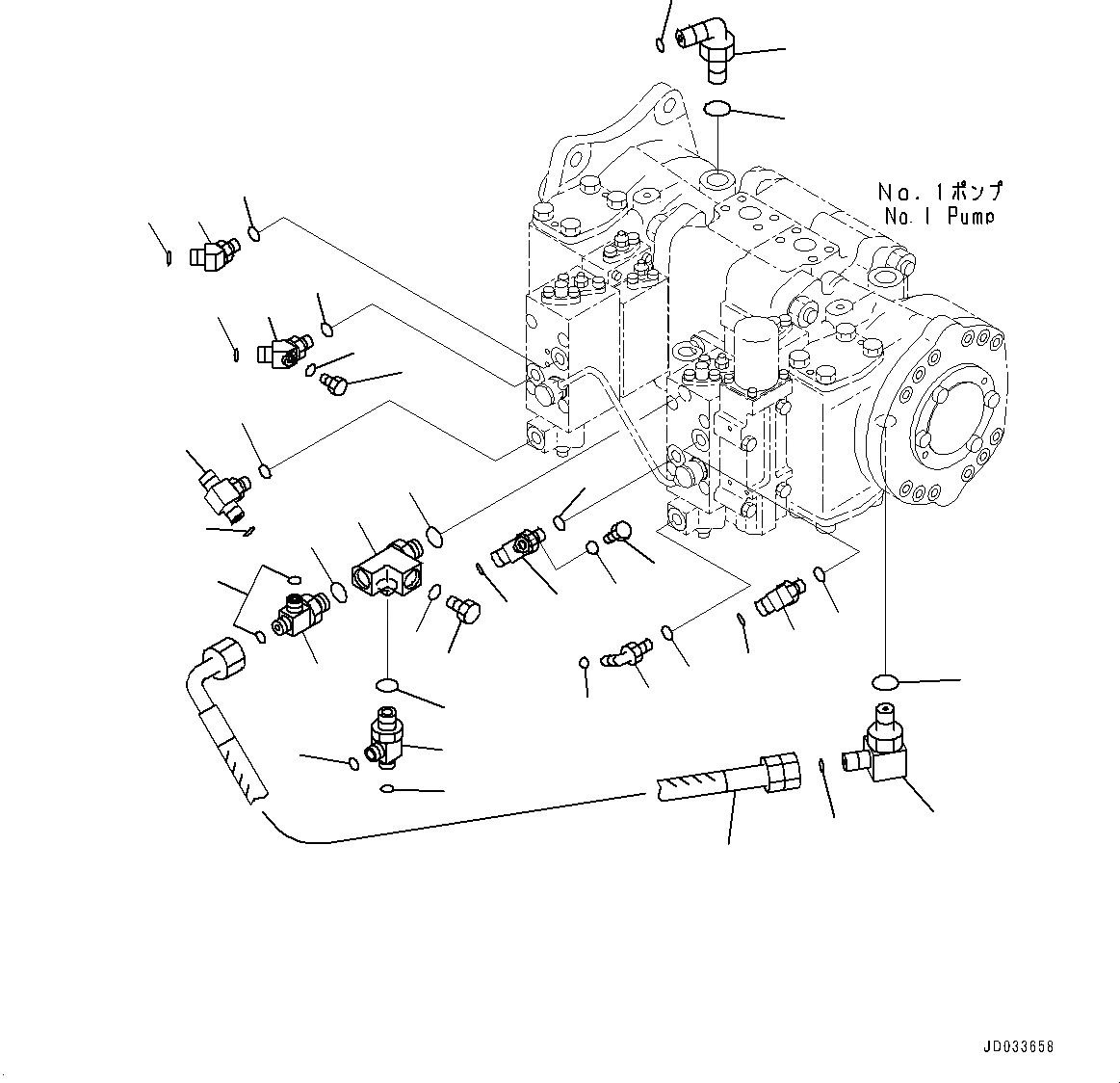
Запчасти Komatsu PC650LC-8E0 ОСНОВН. ПОРШЕНЬ НАСОС, КОМПОНЕНТЫ (№-) ОСНОВН. ПОРШЕНЬ НАСОС

Схема запчастей Komatsu PC650LC-8E0 - ОСНОВН. ПОРШЕНЬ НАСОС, КОМПОНЕНТЫ (№-) ОСНОВН. ПОРШЕНЬ НАСОС
15
9
1
25
2
4
3
24
26
23
21
17
17
14
8
19
18
19
16
22
21
22
10
21
22
5
5
21
22
18
4
3
20
20
7
6
5
11
12
13
FIT
1:1
100%

Артикул

Название

Примечание

Количество

1

20Y-62-15660

Adapter

2

07002-12034

O-ring

3

19M-61-35140

Tee

4

07002-12034

O-ring

5

02896-11009

O-ring

6

07040-12012

Plug

7

07002-12034

O-ring

8

02782-10311

Elbow

9

07002-11423

O-ring

10

02896-11009

O-ring

11

02782-10628

Elbow

12

07002-12434

O-ring

13

02896-11018

O-ring

14

21W-62-42630

Tee

15

07002-11423

O-ring

16

02896-11009

O-ring

17

11Y-62-12510

Elbow

18

21M-62-21520

Elbow

19

07040-11007

Plug

20

07002-11023

O-ring

21

07002-11423

O-ring

22

02896-11009

O-ring

23

209-64-16910

Elbow

24

02896-11009

O-ring

25

07002-12434

O-ring

26

02761-003A4

Hose

Выбрано товаров: 26