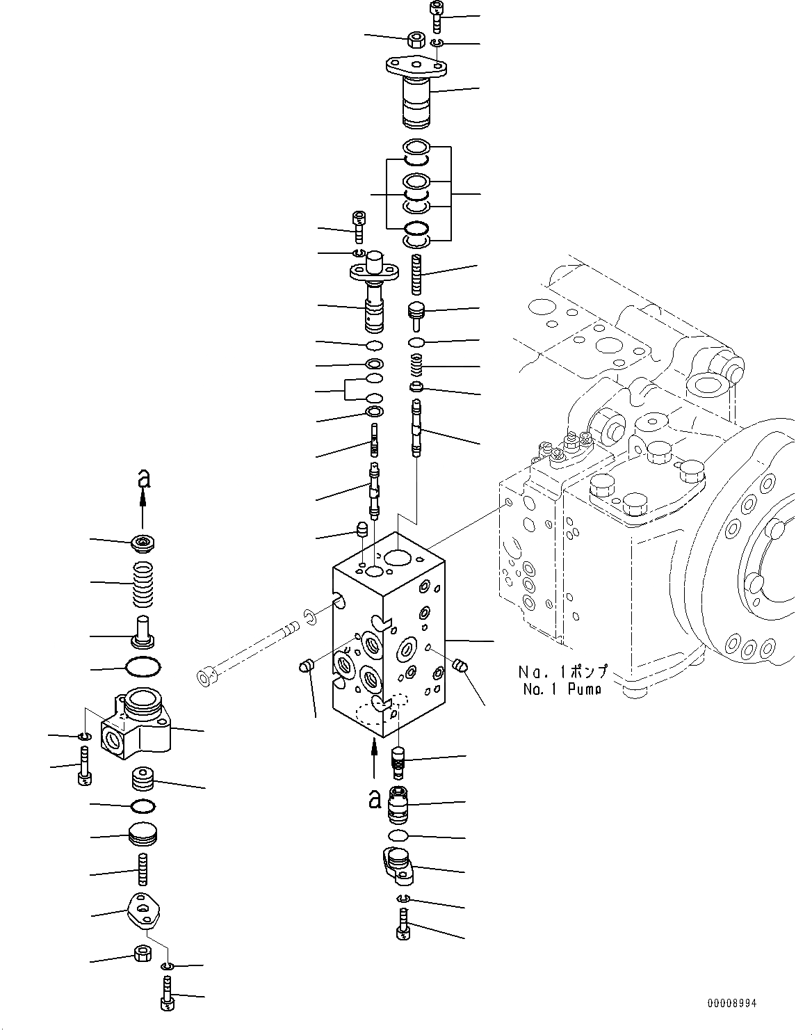
Запчасти Komatsu PC650LC-8E0 ОСНОВН. ПОРШЕНЬ НАСОС, ВНУТР. ЧАСТИ, NO. НАСОС (/) (№-) ОСНОВН. ПОРШЕНЬ НАСОС

Схема запчастей Komatsu PC650LC-8E0 - ОСНОВН. ПОРШЕНЬ НАСОС, ВНУТР. ЧАСТИ, NO. НАСОС (/) (№-) ОСНОВН. ПОРШЕНЬ НАСОС
1
2
2
3
4
5
6
30
8
9
10
11
12
13
14
2
15
16
17
18
19
20
21
22
23
24
25
26
27
35
36
28
29
7
31
32
32
33
34
35
36
37
38
28
29
8
FIT
1:1
100%

Артикул

Название

Примечание

Количество

|$0

708-2L-00771

Pump Assembly

|$1

708-25-85271

Valve Assembly, Servo,Rear

|$2

708-25-09681

Valve Assembly, CO+NC

|$3

708-23-00441

Body Assembly

1

Body

2

Expander

3

708-25-17460

Plug

4

708-25-17430

Screw

5

07000-B2010

O-ring

6

708-25-17131

Cover

7

01580-10806

Nut

8

708-25-17141

Spool

9

708-25-17150

Sleeve

10

708-25-17160

Piston

11

708-25-17170

Cover

12

07000-B2014

O-ring

13

708-25-17180

Seat

14

708-25-17690

Spring

15

708-25-17220

Piston

16

708-25-17370

Seat

17

708-25-17250

Spring

18

708-25-17470

Seat

19

708-23-17290

Cover

20

07000-B3028

O-ring

21

708-25-17380

Plug

22

708-25-15340

Screw

23

07000-B2021

O-ring

24

708-23-17240

Cover

25

708-25-17480

Piston

26

01252-60630

Bolt, Hexagon Socket Head

27

01602-20619

Washer

28

01252-60616

Bolt, Hexagon Socket Head

29

01602-20619

Washer

30

01580-10806

Nut

31

07000-B2012

O-ring

32

07001-02012

Ring, Back-up

33

708-25-17451

Sleeve

34

07000-B2012

O-ring

35

01252-60616

Bolt, Hexagon Socket Head

36

01602-20619

Washer

37

07000-B2021

O-ring

38

07001-02021

Ring

Выбрано товаров: 42