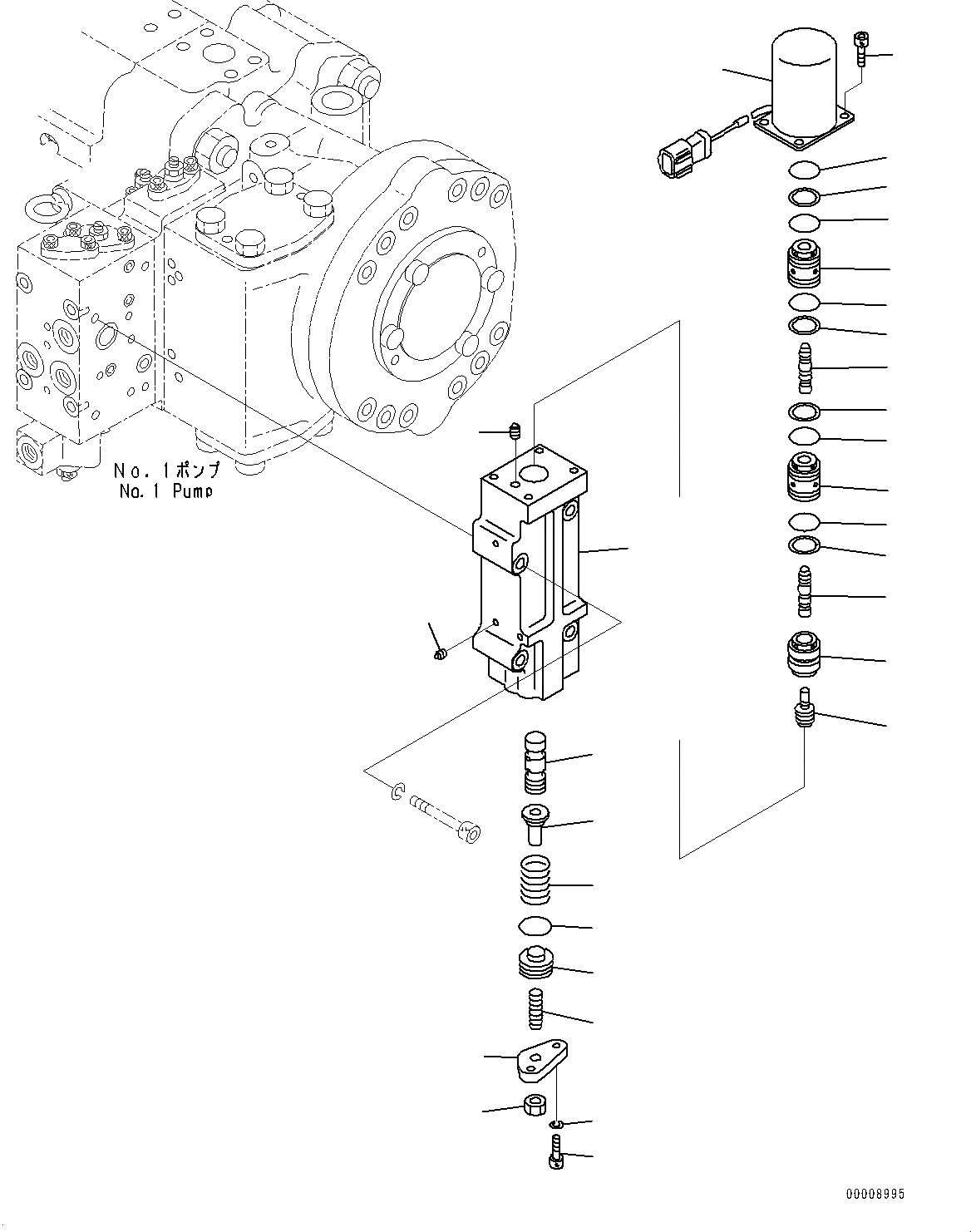
Запчасти Komatsu PC650LC-8E0 ОСНОВН. ПОРШЕНЬ НАСОС, ВНУТР. ЧАСТИ, NO. НАСОС (/) (№-) ОСНОВН. ПОРШЕНЬ НАСОС

Схема запчастей Komatsu PC650LC-8E0 - ОСНОВН. ПОРШЕНЬ НАСОС, ВНУТР. ЧАСТИ, NO. НАСОС (/) (№-) ОСНОВН. ПОРШЕНЬ НАСОС
3
1
2
4
9
10
11
22
13
14
15
16
17
18
19
21
12
8
7
20
7
8
6
5
8
7
20
7
8
6
FIT
1:1
100%

Артикул

Название

Примечание

Количество

|$0

708-2L-00771

Pump Assembly

|$1

708-25-85271

Valve Assembly, Servo,Rear

|$2

708-2L-07620

Valve Assembly, TVC

|$3

708-23-00451

Body Assembly

1

Body

2

Plug

3

Expander

4

708-27-18120

Piston

5

708-27-18130

Sleeve

6

708-27-18140

Piston

7

07000-B2016

O-ring

8

07001-02016

Ring, Back-up

9

708-23-18161

Spool

10

708-23-18170

Seat

11

708-25-18180

Spring

12

708-25-15340

Screw

13

07000-B2018

O-ring

14

708-23-18210

Cover

15

01580-10806

Nut

16

708-2L-25190

Solenoid Assembly

17

07000-B2016

O-ring

18

708-23-18250

Bolt

19

01252-60616

Bolt, Hexagon Socket Head

20

708-27-18150

Sleeve

21

01602-20619

Washer

22

708-23-15160

Plug

Выбрано товаров: 0