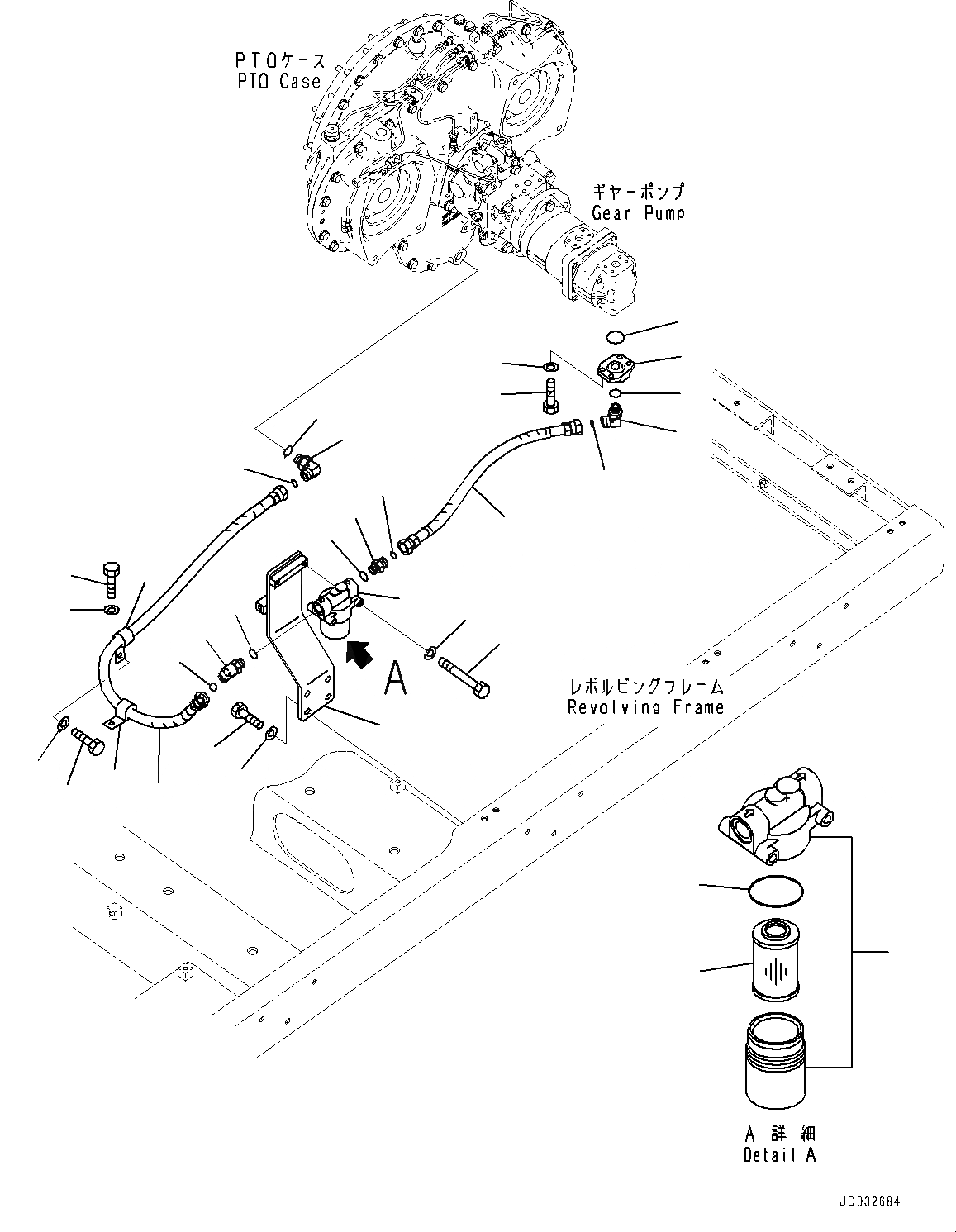
Запчасти Komatsu PC650LC-8E0 POWER TAKEOFF, ВСАСЫВ. ТРУБЫ (№-) POWER TAKEOFF

Схема запчастей Komatsu PC650LC-8E0 - POWER TAKEOFF, ВСАСЫВ. ТРУБЫ (№-) POWER TAKEOFF
12
28
29
21
20
5
4
1
7
3
17
26
25
23
27
22
24
18
2
19
11
9
10
15
16
8
6
14
13
12
25
26
24
FIT
1:1
100%

Артикул

Название

Примечание

Количество

1

21M-38-21490

Flange

2

01010-81030

Bolt

3

01643-31032

Washer

4

07000-E3038

O-ring

5

21M-38-21470

Elbow

6

02896-21015

O-ring

7

07002-22034

O-ring

8

02762-005A5

Hose

9

21N-64-36620

Nipple

10

02896-21015

O-ring

11

07002-21823

O-ring

12

209-01-42251

Filter Assembly

13

209-01-42260

Element Assembly

14

07000-F2065

O-ring

15

01011-81000

Bolt

16

01643-31032

Washer

17

21M-38-31110

Bracket

18

01010-81230

Bolt

19

01643-31232

Washer

20

418-18-32342

Elbow

21

02896-21015

O-ring

22

07002-21823

O-ring

23

02762-00512

Hose

24

04434-52312

Clip

25

01010-81225

Bolt

26

01643-31232

Washer

27

02782-10522

Elbow

28

02896-21015

O-ring

29

07002-22434

O-ring

Выбрано товаров: 0