Запчасти Komatsu PC650LC-8E0 СИСТЕМА ОХЛАЖДЕНИЯ, МОТОР ВЕНТИЛЯТОРА (/) (№-) СИСТЕМА ОХЛАЖДЕНИЯ

Схема запчастей Komatsu PC650LC-8E0 - СИСТЕМА ОХЛАЖДЕНИЯ, МОТОР ВЕНТИЛЯТОРА (/) (№-) СИСТЕМА ОХЛАЖДЕНИЯ
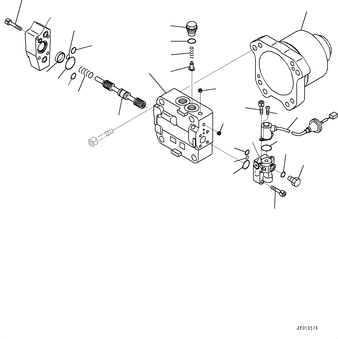
2
3
4
5
6
7
8
9
10
11
12
13
14
15
18
23
24
25
19
21
22
12
5
16
1
16
17
20
FIT
1:1
100%

Артикул

Название

Примечание

Количество

|$0

708-7W-00120

Motor Assembly

1

708-7W-11170

Case

|$2

708-7W-01050

Cover Subassembly

2

Cover, End

3

Plug

4

709-25-11650

Valve, Check

5

709-25-11361

Spring

6

708-7S-21610

Plug

7

07002-22434

O-ring

8

Spool

9

708-7W-18150

Spring

10

708-7W-18160

Spacer

11

708-7W-18170

Cover

12

07000-F2016

O-ring

13

07000-F2035

O-ring

14

01252-60845

Bolt, Hexagon Socket Head

15

07000-F2010

O-ring

16

708-7W-01070

Valve Assembly, Pilot

17

702-21-55870

O-ring

18

01252-60616

Bolt, Hexagon Socket Head

19

708-7S-18360

O-ring

20

702-21-54180

Screw

21

07000-F1008

O-ring

22

708-7S-18230

O-ring

23

07040-11007

Plug

24

07002-21023

O-ring

25

01252-60835

Bolt, Hexagon Socket Head

Выбрано товаров: 27