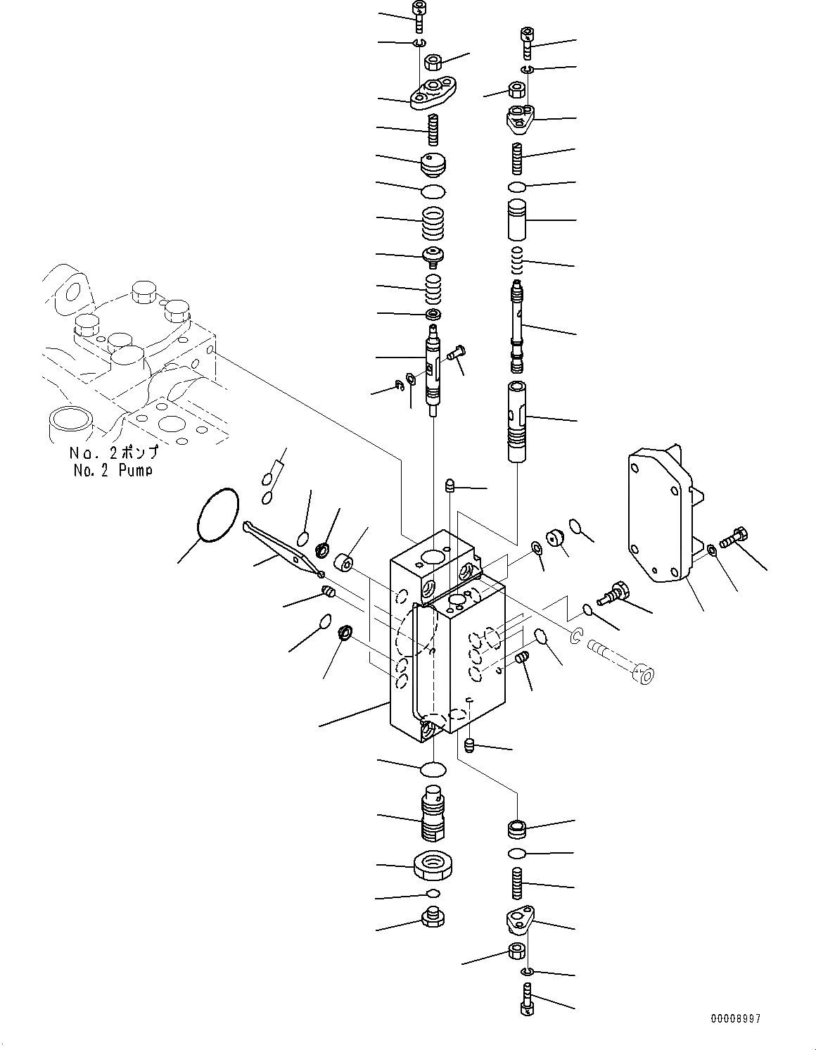
Запчасти Komatsu PC650LC-8E0 ПОРШЕНЬ НАСОС, ВНУТР. ЧАСТИ, NO. НАСОС (7/9) (№-) ПОРШЕНЬ НАСОС

Схема запчастей Komatsu PC650LC-8E0 - ПОРШЕНЬ НАСОС, ВНУТР. ЧАСТИ, NO. НАСОС (7/9) (№-) ПОРШЕНЬ НАСОС
27
38
11
22
26
35
25
24
11
24
37
23
15
22
14
30
29
20
1
39
2
33
11
31
8
12
10
9
7
6
26
34
13
5
4
22
25
19
18
17
16
21
23
42
43
32
41
38
44
46
39
40
3
36
28
2
2
2
45
FIT
1:1
100%

Артикул

Название

Примечание

Количество

|$0

708-2L-90722

Pump Assembly

|$1

708-25-08191

Valve Assembly, Servo

|$2

708-25-00840

Body Assembly

1

Body

2

Expander

3

708-25-15120

Piston

4

708-25-15130

Seat

5

708-25-25130

Spring

6

708-25-55250

Spring

7

708-23-15120

Seat

8

708-23-15160

Plug

9

07000-B2018

O-ring

10

708-25-15150

Cover

11

01580-10806

Nut

12

01252-60616

Bolt, Hexagon Socket Head

13

01602-20619

Washer

14

708-25-15171

Plug

15

07002-62034

O-ring

16

07239-12009

Nut

17

708-25-15180

Sleeve

18

708-25-15280

Spool

19

708-25-15310

Spring

20

708-25-15330

Spacer

21

708-25-15430

Plug

22

708-25-15340

Screw

23

07000-B2012

O-ring

24

708-25-15250

Cover

25

01252-60616

Bolt, Hexagon Socket Head

26

01602-20619

Washer

27

708-25-15260

Plug

28

07002-60823

O-ring

29

708-25-15270

Arm

30

708-25-15360

Pin

31

708-25-15370

Washer

32

708-25-15380

E-ring

33

07040-11007

Plug

34

07002-61023

O-ring

35

708-25-55110

Plate

36

07000-B2011

O-ring

37

01010-80825

Bolt

38

708-2L-25480

Filter

39

708-2L-25490

O-ring

40

07000-B1009

O-ring

41

708-25-19230

Orifice

42

708-25-19250

Plug

43

01643-50823

Washer

44

07000-B3048

O-ring

45

708-25-15460

Shim, T=0.05mm

45

708-25-15470

Shim, T=0.10mm

46

708-2L-25490

O-ring

Выбрано товаров: 50