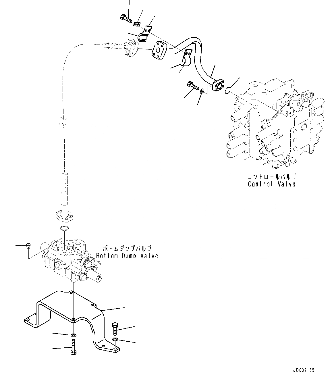
Запчасти Komatsu PC650LC-8E0 НАВЕСН. ОБОРУД ТРУБЫ, КОМПОНЕНТЫ (№-) НАВЕСН. ОБОРУД ТРУБЫ, С -СЕРВИСНЫЙ КЛАПАН

Схема запчастей Komatsu PC650LC-8E0 - НАВЕСН. ОБОРУД ТРУБЫ, КОМПОНЕНТЫ (№-) НАВЕСН. ОБОРУД ТРУБЫ, С -СЕРВИСНЫЙ КЛАПАН
2
3
4
5
6
7
8
9
10
12
1
13
14
11
12
11
FIT
1:1
100%

Артикул

Название

Примечание

Количество

1

07049-01620

Plug

2

01010-81285

Bolt

3

01643-31232

Washer

4

21M-970-1690

Bracket

5

01010-81235

Bolt

6

01643-31232

Washer

7

21M-970-3310

Tube

8

07372-21040

Bolt

9

01643-51032

Washer

10

07000-B3035

O-ring

11

207-62-52430

Clamp

12

205-62-73430

Seat

13

01010-81230

Bolt

14

20Y-62-13450

Plate

Выбрано товаров: 14