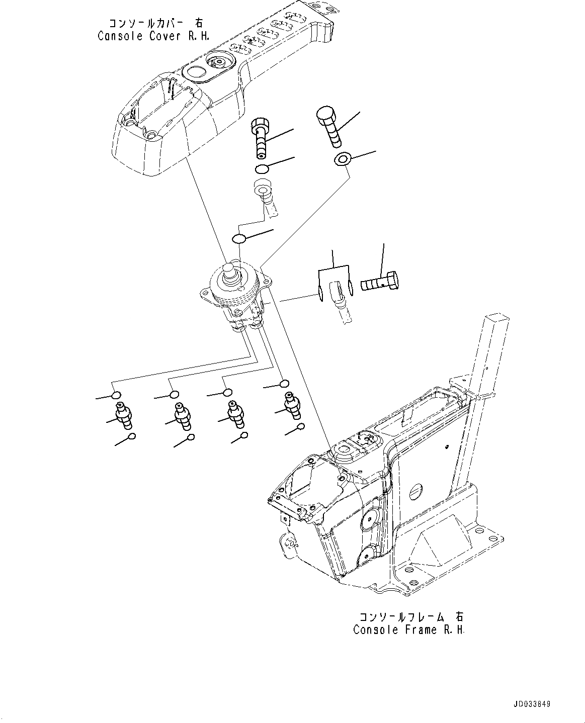
Запчасти Komatsu PC650LC-8E0 КАБИНА, ПОЛ, КЛАПАН, ПРАВ. (№-) КАБИНА, EOPS КАБИНА, ЗАЩИТА ОТ ВАНДАЛИЗМА, С СИДЕНЬЕ ОПЕРАТОРА, ПОДОГРЕВED

Схема запчастей Komatsu PC650LC-8E0 - КАБИНА, ПОЛ, КЛАПАН, ПРАВ. (№-) КАБИНА, EOPS КАБИНА, ЗАЩИТА ОТ ВАНДАЛИЗМА, С СИДЕНЬЕ ОПЕРАТОРА, ПОДОГРЕВED
7
9
8
8
9
7
7
9
9
8
8
7
6
5
2
1
3
4
4
FIT
1:1
100%

Артикул

Название

Примечание

Количество

1

01010-80820

Bolt

2

01643-30823

Washer

3

20Y-62-18910

Plug

4

07000-12018

O-ring

5

20Y-62-18890

Bolt, Joint

6

07000-12015

O-ring

7

11Y-62-12520

Union

8

02896-11009

O-ring

9

07002-11423

O-ring

Выбрано товаров: 9