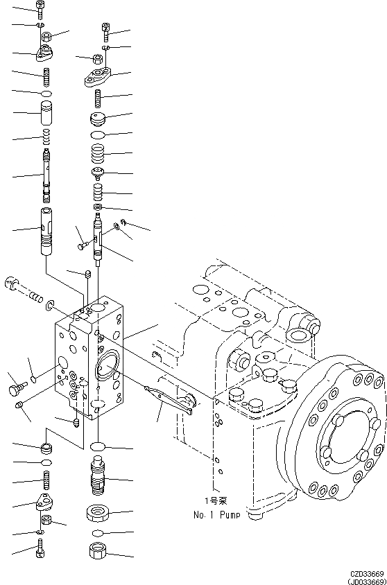
Запчасти Komatsu PC650LC-8E0 ПОРШЕНЬ НАСОС (ВНУТР. ЧАСТИ, NO. НАСОС) (/) H [ГИДРАВЛИКА]

Схема запчастей Komatsu PC650LC-8E0 - ПОРШЕНЬ НАСОС (ВНУТР. ЧАСТИ, NO. НАСОС) (/) H [ГИДРАВЛИКА]
25
23
18
19
20
21
28
31
24
4
6
13
29
5
8
9
10
12
7
34
11
22
32
33
14
24
17
25
26
27
26
28
29
27
24
30
35
3
2
1
2
2
16
15
FIT
1:1
100%

Артикул

Название

Примечание

Количество

|$1

708-2L-00772

PUMP ASSEMBLY

|$2

708-25-85271

VALVE ASSEMBLY, SERVO, REAR

|$3

708-25-85471

VALVE SUBASSEMBLY, SERVO, REAR

|$4

708-25-00840

BODY ASSEMBLY

1

BODY

2

EXPANDER

3

708-25-15120

PISTON

4

708-25-15130

SEAT

5

708-25-55250

SPRING

6

708-25-25130

SPRING

7

708-23-15160

PLUG

8

708-23-15120

SEAT

9

07000-B2018

O-RING

10

708-25-15150

COVER

11

01580-10806

NUT

12

01252-60616

BOLT, HEXAGON SOCKET HEAD

13

01602-20619

WASHER

14

708-25-55680

PLUG

15

02789-00315

PLUG

16

02896-61009

O-RING

17

07002-62034

O-RING

18

07239-12009

NUT

19

708-25-15180

SLEEVE

20

708-25-15280

SPOOL

21

708-25-15310

SPRING

22

708-25-15330

SPACER

23

708-25-15430

PLUG

24

708-25-15340

SCREW

25

07000-B2012

O-RING

26

708-25-15250

COVER

27

01580-10806

NUT

28

01252-60616

BOLT, HEXAGON SOCKET HEAD

29

01602-20619

WASHER

30

708-25-15260

PLUG

31

07002-60823

O-RING

32

708-25-15270

ARM

33

708-25-15360

PIN

34

708-25-15370

WASHER

35

708-25-15380

E-RING

Выбрано товаров: 0