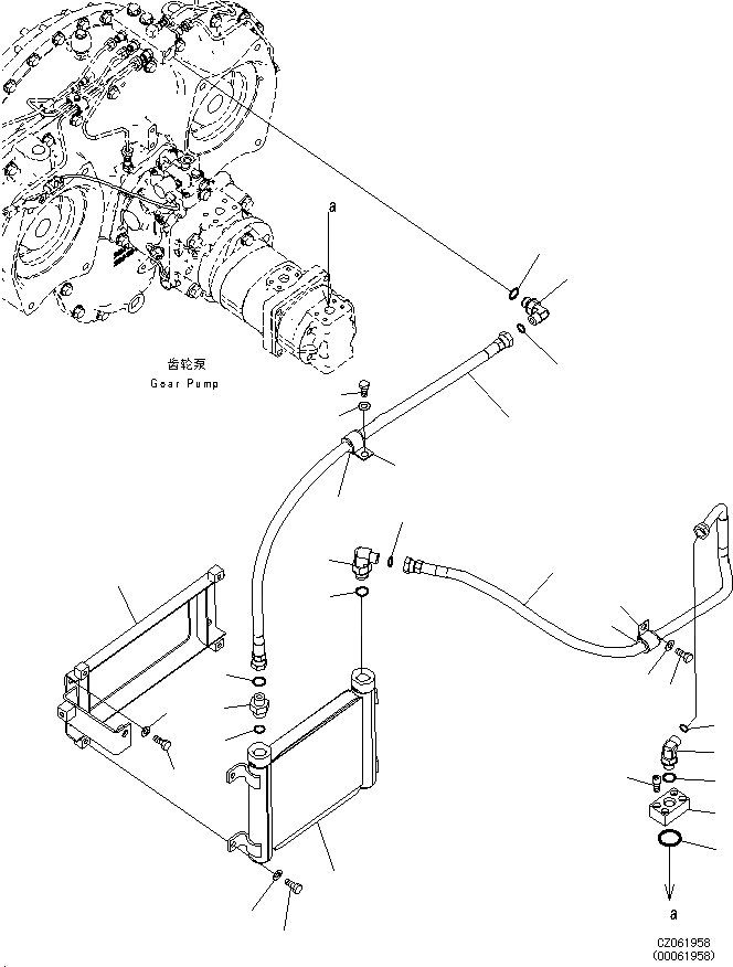
Запчасти Komatsu PC650LC-8E0 POWER TAKEOFF (ПОДАЮЩ. ТРУБЫ) B [КОМПОНЕНТЫ ДВИГАТЕЛЯ]

Схема запчастей Komatsu PC650LC-8E0 - POWER TAKEOFF (ПОДАЮЩ. ТРУБЫ) B [КОМПОНЕНТЫ ДВИГАТЕЛЯ]
20
19
15
21
14
13
12
17
16
1
2
30
29
5
4
7
24
25
8
26
9
27
10
3
6
11
22
23
28
31
18
FIT
1:1
100%

Артикул

Название

Примечание

Количество

1

21M-38-21480

FLANGE

2

01252-A0835

BOLT

3

07000-E3030

O-RING

4

21M-38-21460

ELBOW

5

02896-21012

O-RING

6

07002-22034

O-RING

7

21M-38-D1450

HOSE

8

04434-52512

CLIP

9

07095-20318

CUSHION

10

01010-81225

BOLT

11

01643-31232

WASHER

12

02782-10425

ELBOW

13

02896-21012

O-RING

14

07002-22434

O-RING

15

21M-38-21430

OIL COOLER

16

01010-81025

BOLT

17

01643-31032

WASHER

18

21M-38-21422

BRACKET

19

01010-81225

BOLT

20

01643-31232

WASHER

21

02781-0042A

JOINT

22

02896-21012

O-RING

23

07002-22434

O-RING

24

02774-00410

HOSE

25

04434-52512

CLIP

26

07095-20318

CUSHION

27

01010-81225

BOLT

28

01643-31232

WASHER

29

02782-10422

ELBOW

30

02896-21012

O-RING

31

07002-22034

O-RING

Выбрано товаров: 31