Запчасти Komatsu PC650LC-8E0 ПОРШЕНЬ НАСОС (ВНУТР. ЧАСТИ, NO. НАСОС) (/) H [ГИДРАВЛИКА]

Схема запчастей Komatsu PC650LC-8E0 - ПОРШЕНЬ НАСОС (ВНУТР. ЧАСТИ, NO. НАСОС) (/) H [ГИДРАВЛИКА]
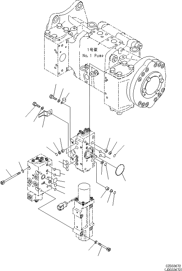
13
9
8
11
14
12
19
13
8
9
6
7
10
10
2
3
1
15
12
14
16
17
18
4
5
21
22
20
FIT
1:1
100%

Артикул

Название

Примечание

Количество

|$1

708-2L-00772

PUMP ASSEMBLY

|$2

708-25-85271

VALVE ASSEMBLY, SERVO, REAR

1

07000-B2011

O-RING

2

07000-B2018

O-RING

3

07000-B2011

O-RING

4

708-25-19160

BOLT, HEXAGON SOCKET HEAD

5

01602-20825

WASHER

6

01252-60855

BOLT, HEXAGON SOCKET HEAD

7

01602-20825

WASHER

8

708-2L-25480

FILTER

9

708-2L-25490

O-RING

10

07000-B1009

O-RING

11

07000-B1009

O-RING

12

708-2L-25480

FILTER

13

708-25-19230

ORIFICE

14

708-2L-25490

O-RING

15

708-25-19240

ORIFICE

16

08193-21012

CLIP

17

01010-80812

BOLT

18

01643-30823

WASHER

19

07000-B3048

O-RING

20

04434-50608

CLIP

21

01010-80812

BOLT

22

01643-30823

WASHER

Выбрано товаров: 24