Запчасти Komatsu PC650LC-8E0 ПОРШЕНЬ НАСОС (ВНУТР. ЧАСТИ, NO. НАСОС) (/) H [ГИДРАВЛИКА]

Схема запчастей Komatsu PC650LC-8E0 - ПОРШЕНЬ НАСОС (ВНУТР. ЧАСТИ, NO. НАСОС) (/) H [ГИДРАВЛИКА]
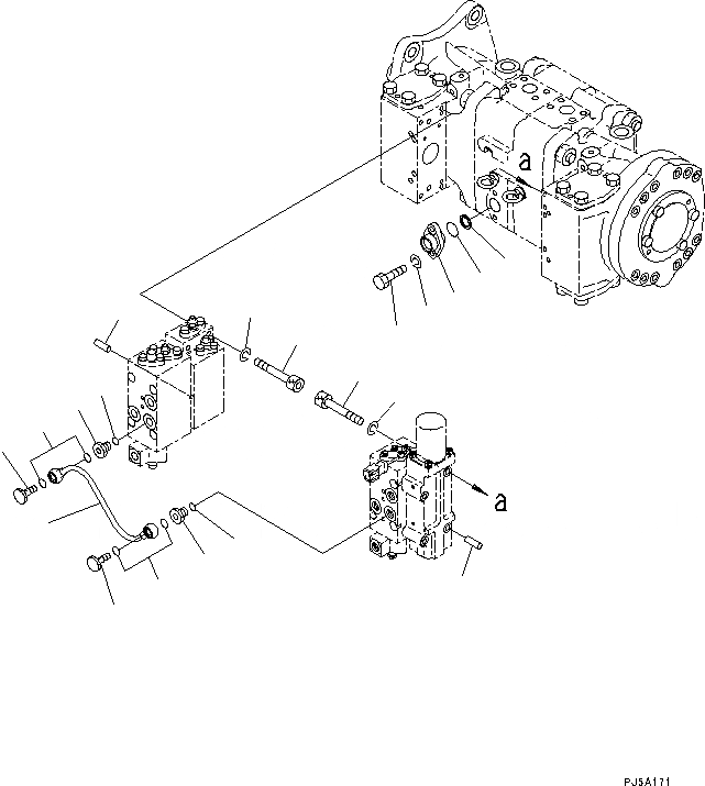
1
2
2
1
4
3
3
4
8
5
6
6
5
7
11
12
13
9
10
8
FIT
1:1
100%

Артикул

Название

Примечание

Количество

|$1

708-2L-00772

PUMP ASSEMBLY

1

01252-60850

BOLT, HEXAGON SOCKET HEAD

2

01602-20825

WASHER

3

04020-00616

PIN, DOWEL

4

706-46-53180

BOLT

5

706-46-53260

PLUG

6

07002-61423

O-RING

7

708-25-19140

TUBE

8

07000-B2012

O-RING

9

708-25-19120

FLANGE

10

07000-B2021

O-RING

11

720-68-15240

FILTER

12

01010-80820

BOLT

13

01602-20825

WASHER

Выбрано товаров: 14