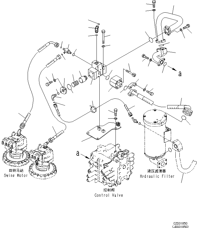
Запчасти Komatsu PC650LC-8E0 ВОЗВРАТ. ТРУБЫ (С PROVISION ДЛЯ -АКТУАТОР) H [ГИДРАВЛИКА]

Схема запчастей Komatsu PC650LC-8E0 - ВОЗВРАТ. ТРУБЫ (С PROVISION ДЛЯ -АКТУАТОР) H [ГИДРАВЛИКА]
14
15
13
37
16
17
38
23
17
18
21
18
22
19
3
20
19
2
9
28
29
24
4
30
6
8
12
11
1
40
33
39
41
38
5
32
7
27
25
10
31
26
26
36
35
34
42
FIT
1:1
100%

Артикул

Название

Примечание

Количество

1

21M-62-16182

BRACKET

2

01010-81230

BOLT

3

01643-31232

WASHER

|$4

21M-60-31221

VALVE A.

4

21M-60-31231

BODY

5

21M-60-11420

FLANGE

6

01010-81230

BOLT

7

01643-31232

WASHER

8

207-60-51460

POPPET

9

209-60-52320

SPRING

10

07000-12060

O-RING

11

01011-81225

BOLT

12

01643-31232

WASHER

13

02782-10628

ELBOW

14

02896-11018

O-RING

15

07002-12434

O-RING

16

21M-62-16151

TUBE

17

07372-21245

BOLT

18

01643-51232

WASHER

19

07000-B2060

O-RING

20

21M-62-16141

TUBE

21

01010-81240

BOLT

22

01643-31232

WASHER

23

07000-B3045

ORING

24

21M-62-14460

TEE

25

07002-13334

O-RING

26

207-62-64740

O-RING

27

21M-62-14470

HOSE

28

23B-16-31760

HOSE

29

02782-10317

ELBOW

30

07002-12034

O-RING

31

02896-11009

O-RING

32

21M-62-32220

HOSE A

33

08034-20536

BAND

34

21M-970-2140

BLOCK

35

01252-71295

BOLT

36

07000-B2060

O-RING

37

07297-02007

HOSE

38

07000-B2060

O-RING

39

07371-32076

FLANGE

Выбрано товаров: 40