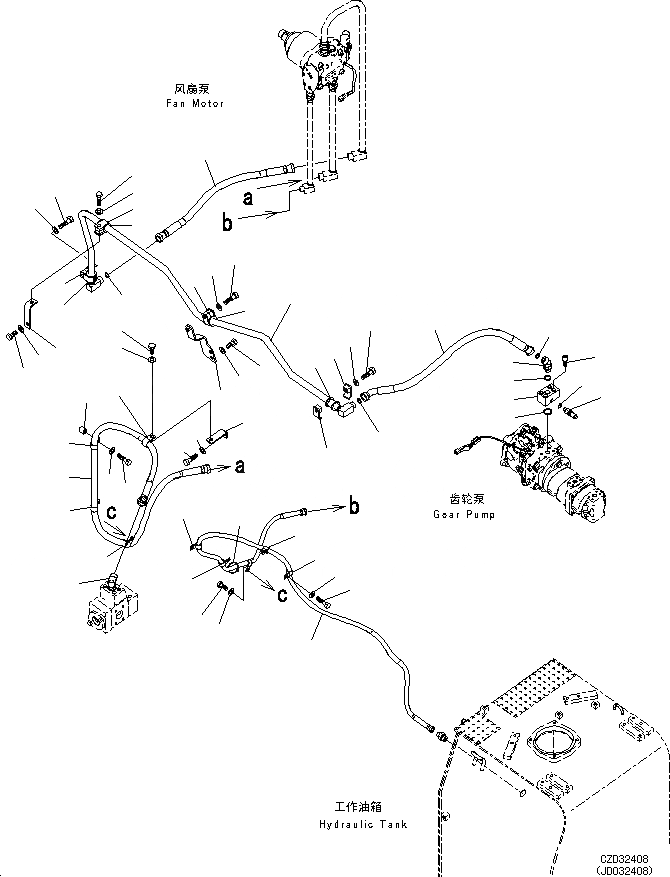
Запчасти Komatsu PC650LC-8E0 МОТОР ВЕНТИЛЯТОРА ТРУБЫ H [ГИДРАВЛИКА]

Схема запчастей Komatsu PC650LC-8E0 - МОТОР ВЕНТИЛЯТОРА ТРУБЫ H [ГИДРАВЛИКА]
24
14
15
13
12
16
17
13
12
11
27
28
18
20
19
13
15
14
10
12
14
15
13
12
22
23
21
34
26
33
26
35
36
11
13
9
5
3
8
7
4
6
1
2
25
26
26
44
32
31
43
42
29
30
37
39
39
41
40
38
FIT
1:1
100%

Артикул

Название

Примечание

Количество

1

209-62-41410

BLOCK

2

07000-B3032

O-RING

3

01252-A1050

BOLT

4

02783-10628

UNION

5

02896-61018

O-RING

6

07002-62434

O-RING

7

799-101-5220

NIPPLE

8

07002-61023

O-RING

9

02779-00609

HOSE

10

21M-62-21271

TUBE

11

02896-61018

O-RING

12

07095-00526

CUSHION

13

07094-10518

CLAMP

14

01010-81270

BOLT

15

01643-31232

WASHER

16

01010-81275

BOLT

17

01643-31232

WASHER

18

17A-61-13391

BRACKET

19

01010-81230

BOLT

20

01643-31232

WASHER

21

21M-62-21280

BRACKET

22

01010-81225

BOLT

23

01643-31232

WASHER

24

02777-006A7

HOSE

25

21M-62-21530

HOSE

26

04434-52712

CLIP

27

01010-81225

BOLT

28

01643-31232

WASHER

29

01010-81235

BOLT

30

01643-31232

WASHER

31

01010-81245

BOLT

32

01643-31232

WASHER

33

195-33-11220

SPACER

34

198-06-46230

BRACKET

35

01010-81225

BOLT

36

01643-31232

WASHER

37

08034-20519

BAND

38

21M-62-21540

HOSE

39

04434-51912

CLIP

40

01010-81225

BOLT

Выбрано товаров: 40