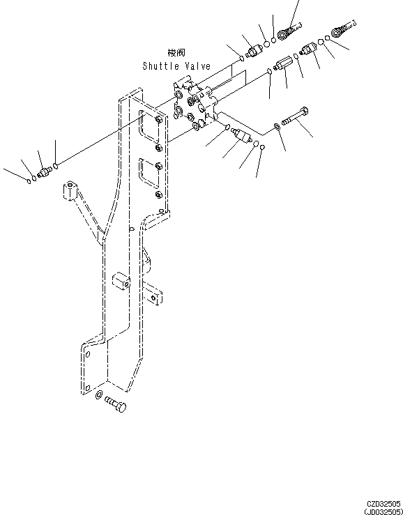
Запчасти Komatsu PC650LC-8E0 РАСПРЕДЕЛИТ. КЛАПАН ТРУБЫ (КОМПОНЕНТЫ) (/) H [ГИДРАВЛИКА]

Схема запчастей Komatsu PC650LC-8E0 - РАСПРЕДЕЛИТ. КЛАПАН ТРУБЫ (КОМПОНЕНТЫ) (/) H [ГИДРАВЛИКА]
3
7
15
10
2
1
16
4
5
6
15
14
16
11
13
12
13
9
8
14
17
FIT
1:1
100%

Артикул

Название

Примечание

Количество

1

01010-81075

BOLT

2

01643-31032

WASHER

3

20Y-62-16630

NIPPLE

4

201-60-11390

O-RING

5

20Y-62-19560

O-RING

6

07002-11423

O-RING

7

20Y-62-22271

ELBOW

8

201-60-11390

O-RING

9

20Y-62-19560

O-RING

10

07002-11423

O-RING

11

20Y-62-22160

ADAPTER

12

07002-11423

O-RING

13

20Y-62-25720

ELBOW

14

201-60-11390

O-RING

15

20Y-62-19560

O-RING

16

07002-11423

O-RING

17

209-04-77630

HOSE

Выбрано товаров: 17