Запчасти Komatsu PC650LC-8E0 КАБИНА (ПОЛ, ПОДЛОКОТНИК, ПРАВ.) K [КАБИНА ОПЕРАТОРА И СИСТЕМА УПРАВЛЕНИЯ]

Схема запчастей Komatsu PC650LC-8E0 - КАБИНА (ПОЛ, ПОДЛОКОТНИК, ПРАВ.) K [КАБИНА ОПЕРАТОРА И СИСТЕМА УПРАВЛЕНИЯ]
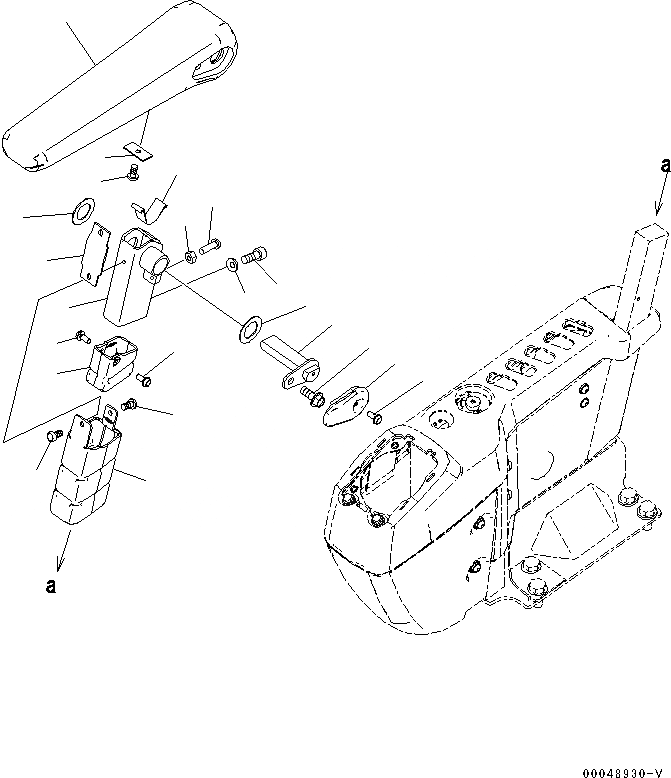
5
2
1
4
3
6
7
8
8
10
9
11
15
16
16
12
13
14
14
17
18
19
FIT
1:1
100%

Артикул

Название

Примечание

Количество

1

20Y-43-41343

ARMREST(R.H)

2

20Y-43-41533

BRACKET(R.H)

3

01252-80820

BOLT

4

01643-70823

WASHER

5

20Y-43-41850

PIN(R.H)

6

01435-40816

BOLT

7

20Y-43-41152

SPRING

8

437-40-26240

WASHER

9

01245-00620

SCREW

10

01580-40605

NUT

11

20Y-43-41181

CAP

12

01023-20512

SCREW

13

20Y-43-41191

COVER(UPPER)

14

01370-40510

COVER

15

20Y-43-41591

COVER(LOWER)

16

01023-20512

SCREW

17

20Y-43-41281

RUBBER

18

20Y-43-41461

PLATE

19

01370-40610

SCREW

Выбрано товаров: 0