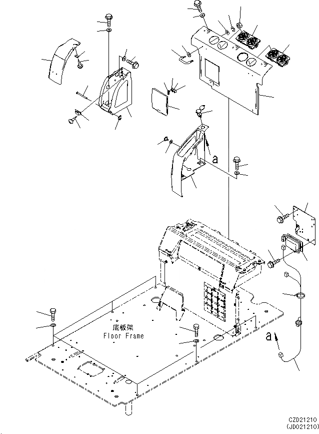
Запчасти Komatsu PC650LC-8E0 КАБИНА (КАБИНА IN ЧАСТИ, ЗАДН. КРЫШКА) K [КАБИНА ОПЕРАТОРА И СИСТЕМА УПРАВЛЕНИЯ]

Схема запчастей Komatsu PC650LC-8E0 - КАБИНА (КАБИНА IN ЧАСТИ, ЗАДН. КРЫШКА) K [КАБИНА ОПЕРАТОРА И СИСТЕМА УПРАВЛЕНИЯ]
13
17
22
23
22
23
18
19
16
20
15
21
1
3
2
4
5
14
7
9
12
11
8
10
9
6
13
34
33
35
32
39
30
29
38
31
27
26
28
24
25
37
36
FIT
1:1
100%

Артикул

Название

Примечание

Количество

|$1

20Y-53-13631

COVER A.

1

COVER

2

22U-43-22340

PULLER

3

08041-01000

FUSE

4

08041-02000

FUSE

5

08041-03000

FUSE

6

20Y-53-12371

COVER(REAR)

7

208-53-12290

HOOK

8

01580-10403

NUT

9

01640-20408

WASHER

10

01601-20410

WASHER

11

01435-40616

BOLT

12

20Y-53-12310

COLLOR

13

208-979-7560

GRILLE

14

20Y-53-12381

COVER

15

09452-14503

CATCHER

16

01370-10308

SCREW

17

20Y-53-12391

COVER

18

208-53-12410

PLATE

19

01370-20308

SCREW

20

208-53-12320

PIN

21

208-53-12330

RING

22

01435-40616

BOLT

23

20Y-53-12310

COLLOR

24

20Y-53-12731

COVER(MAGAZINE)

25

01435-40620

BOLT

26

20Y-53-12310

COLLOR

27

23D-950-4450

BUTTON

28

20Y-53-12860

SPACER

29

22U-06-22251

CONVERTER

30

01435-00610

BOLT

31

198-Z11-2640

SOCKET ASSY

32

20Y-06-41270

WIRING HARNESS

33

08034-20414

BAND

34

01010-81245

BOLT

35

01643-31232

WASHER

36

01010-81655

BOLT

37

01643-31645

WASHER

38

20Y-53-18221

BRACKET

39

01435-00612

BOLT

Выбрано товаров: 40