Качественные детали и логистика
Оригинальные и аналоговые запчасти с доставкой по России, Казахстану и Беларуси
©2022 PartSell ООО "Система" ИНН 2463123282 ОГРН 1212400004838
Центральный офис: г. Красноярск, Академика Киренского, д.87, пом.4
Телефон: 8 (800) 777-65-74 Email: zakaz@partsell.ru
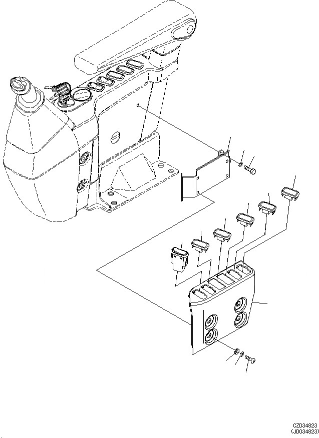
КАБИНА (ПОЛ, ПЕРЕКЛЮЧАТЕЛЬ)
№
Артикул
Название
Примечание
Количество
1
20Y-43-41880
COVER(SWITCH)
2
01245-00616
SCREW
3
20Y-53-12310
COLLOR
4
20Y-43-41372
ARMREST(R.H)
5
20Y-06-42130
SWITCH(BEACON)
6
20Y-06-42190
COVER
7
20E-06-K1610
8
01643-70623
WASHER
9
01010-D0612
BOLT
10
Выбрано товаров: 0