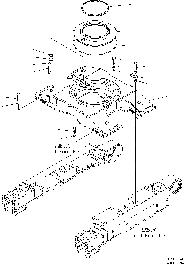
Запчасти Komatsu PC650LC-8E0 ЦЕНТР. РАМА (ДЛЯ ДОПОЛН. ПРОТИВОВЕС) R [НИЖН.CARRIAGE]

Схема запчастей Komatsu PC650LC-8E0 - ЦЕНТР. РАМА (ДЛЯ ДОПОЛН. ПРОТИВОВЕС) R [НИЖН.CARRIAGE]
5
6
16
4
3
15
13
12
11
9
2
8
1
14
10
18
17
6
7
FIT
1:1
100%

Артикул

Название

Примечание

Количество

1

21M-30-21110

FRAME

2

209-30-11330

SPACER

3

21M-30-12170

PLATE

4

01643-33690

WASHER

5

01011-83630

BOLT

6

01643-33380

WASHER

7

15A-78-11270

BOLT

8

15A-78-11270

BOLT

9

21M-30-23110

COVER

10

21M-30-13120

SEAL

11

21M-30-13140

SEAL

12

205-30-71191

GASKET

13

205-30-71181

COVER

14

01010-81225

BOLT

15

01643-31232

WASHER

16

21M-30-13130

BRACKET

17

01010-81225

BOLT

18

01643-31232

WASHER

Выбрано товаров: 18