Запчасти Komatsu PC650LC-8E0 УПРАВЛЯЮЩ. КЛАПАН (9-СЕКЦИОНН.) (/8) H [ГИДРАВЛИКА]

Схема запчастей Komatsu PC650LC-8E0 - УПРАВЛЯЮЩ. КЛАПАН (9-СЕКЦИОНН.) (/8) H [ГИДРАВЛИКА]
6
12
11
13
10
8
5
7
9
2
1
4
3
FIT
1:1
100%

Артикул

Название

Примечание

Количество

|$1

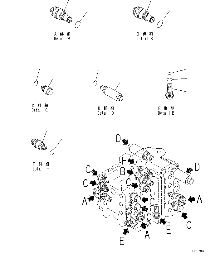
709-99-15300

CONTROL VALVE PC600/650-8

1

723-90-69100

SC.RIF.VALVE A.

2

07002-13634

O-RING

3

709-90-76200

SC.RIF.VALVE A.

4

07002-13634

O-RING

5

709-90-74401

SC.RIF.VALVE A.

6

07002-13634

O-RING

7

723-60-23800

SUCTION VALVE A.

8

07002-13634

O-RING

9

700-90-74001

SUCTION VALVE A.

10

07002-03634

O-RING

11

709-90-91300

ORIFICE ASS'Y

12

07000-02014

O-RING

13

07002-02434

O-RING

Выбрано товаров: 14