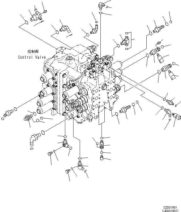
Запчасти Komatsu PC650LC-8E0 УПРАВЛЯЮЩ. КЛАПАН (С PROVISION ДЛЯ МОЛОТА) (СОЕДИНИТЕЛЬН. ЧАСТИ) (/) H [ГИДРАВЛИКА]

Схема запчастей Komatsu PC650LC-8E0 - УПРАВЛЯЮЩ. КЛАПАН (С PROVISION ДЛЯ МОЛОТА) (СОЕДИНИТЕЛЬН. ЧАСТИ) (/) H [ГИДРАВЛИКА]
12
13
5
11
37
24
35
25
8
2
1
10
17
11
27
27
28
30
27
28
28
19
41
33
15
21
3
26
14
36
30
30
31
22
34
11
8
20
23
39
16
32
40
38
18
29
29
29
31
31
10
9
9
8
10
9
7
4
6
6
FIT
1:1
100%

Артикул

Название

Примечание

Количество

1

21M-62-14370

ELBOW

2

07002-12034

O-RING

3

02896-11009

O-RING

4

21M-62-14890

TEE

5

07002-12034

O-RING

6

02896-11009

O-RING

7

07042-30108

PLUG

8

21M-62-21750

ELBOW

9

201-60-11390

O-RING

10

20Y-62-19560

O-RING

11

07002-12034

O-RING

12

21M-62-14391

TEE

13

07002-11623

O-RING

14

02896-11009

O-RING

15

21M-62-14411

TEE

16

02896-11009

O-RING

17

07002-12034

O-RING

18

07042-30108

PLUG

19

206-06-61130

SWITCH

20

21M-62-14420

TEE

21

07002-12034

O-RING

22

02896-11009

O-RING

23

206-06-61130

SWITCH

24

21M-62-14431

ELBOW

25

07002-11623

O-RING

26

02896-11009

O-RING

27

21M-62-21520

ELBOW

28

07002-11423

O-RING

29

02896-11009

O-RING

30

07040-11007

PLUG

31

07002-11023

O-RING

32

02781-0031D

NIPPLE

33

07002-11423

O-RING

34

02896-11009

O-RING

35

02782-10311

ELBOW

36

02896-11009

O-RING

37

07002-11423

O-RING

38

21M-62-14450

ELBOW

39

02896-11009

O-RING

40

07002-11423

O-RING

Выбрано товаров: 40