Запчасти Komatsu PC650LC-8E0 УПРАВЛЯЮЩ. КЛАПАН (С PROVISION ДЛЯ МОЛОТА) (КОРПУС И СТУПЕНИ) H [ГИДРАВЛИКА]

Схема запчастей Komatsu PC650LC-8E0 - УПРАВЛЯЮЩ. КЛАПАН (С PROVISION ДЛЯ МОЛОТА) (КОРПУС И СТУПЕНИ) H [ГИДРАВЛИКА]
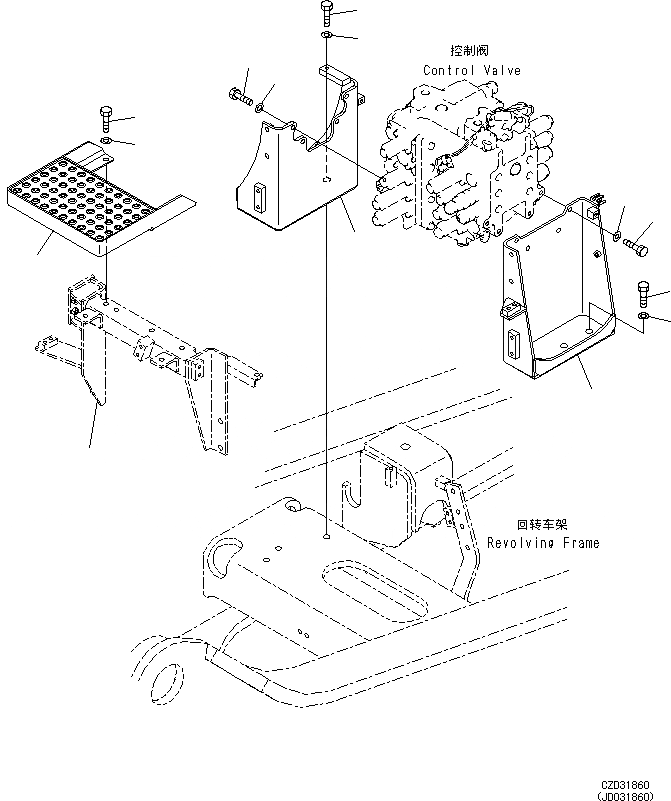
5
6
8
7
9
12
10
13
1
4
2
11
3
14
FIT
1:1
100%

Артикул

Название

Примечание

Количество

1

21M-62-31270

BRACKET (L.H)

2

01010-81440

BOLT

3

207-62-56250

WASHER

4

01010-81655

BOLT

5

01643-31645

WASHER

6

21M-62-21460

BRACKET

7

01010-81440

BOLT

8

207-62-56250

WASHER

9

01010-81655

BOLT

10

01643-31645

WASHER

11

21M-62-11430

STEP

12

01010-81235

BOLT

13

01643-31232

WASHER

14

21M-62-31541

BRACKET

Выбрано товаров: 14